EasyManua.ls Logo

Fujitsu R407C - Page 157

Fujitsu R407C
162 pages
Print Icon
To Next Page IconTo Next Page
To Next Page IconTo Next Page
To Previous Page IconTo Previous Page
To Previous Page IconTo Previous Page
Loading...
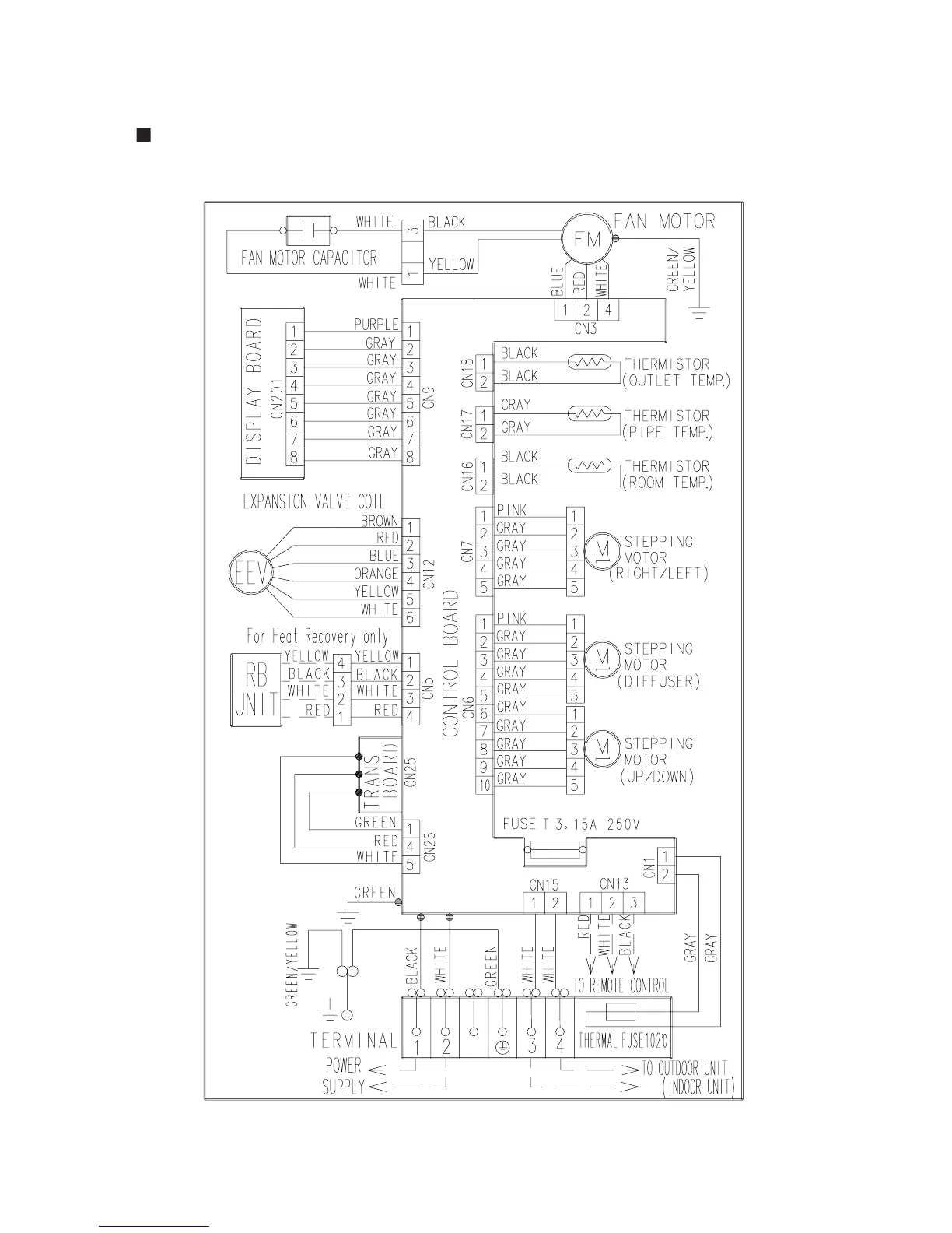
WALL MOUNTED TYPE
MODELS : AS18, AS24, AS30
07-16

Table of Contents

Related product manuals