EasyManua.ls Logo

FUNAI A8C70EP - Page 25

FUNAI A8C70EP
64 pages
Print Icon
To Next Page IconTo Next Page
To Next Page IconTo Next Page
To Previous Page IconTo Previous Page
To Previous Page IconTo Previous Page
Loading...
7-6
A8C70BLINV
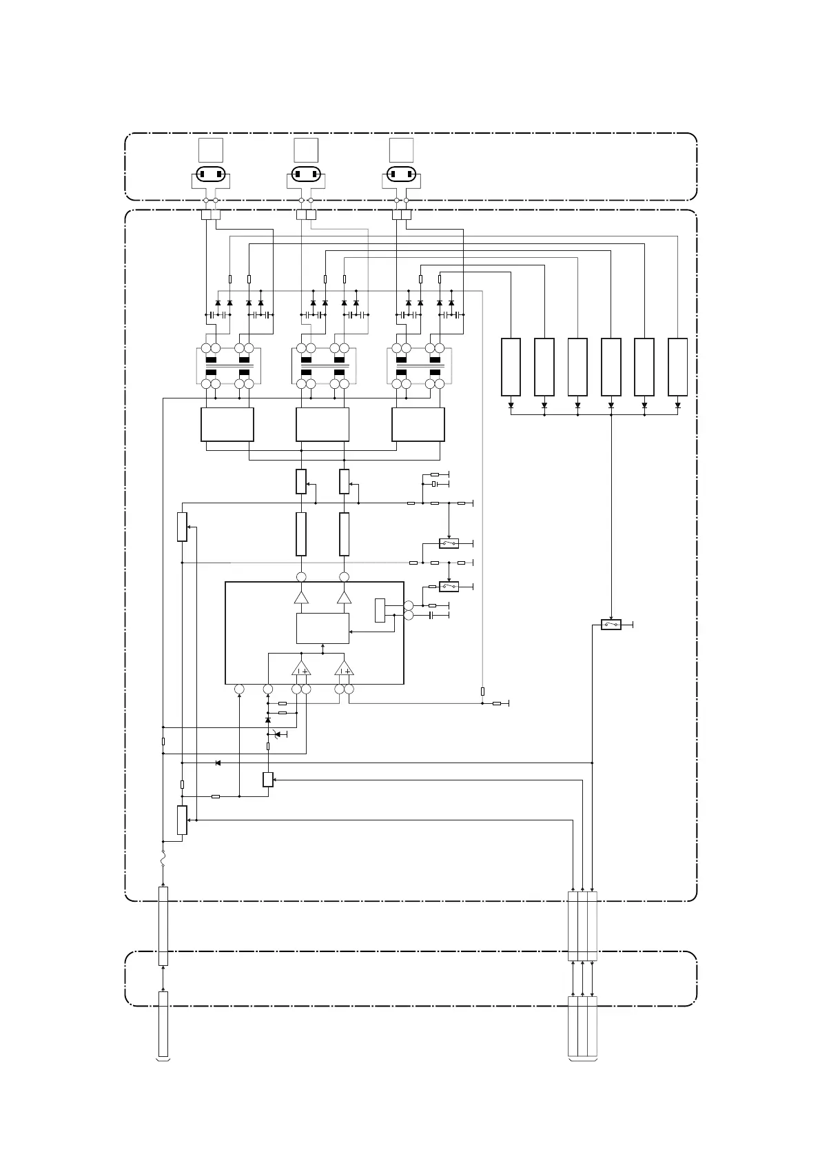
Inverter Block Diagram
IC401
(PWM CONTROL)
BACK
LIGHT
1
2
1
2
1
2
CN401
CN402
CN403
BACK
LIGHT
BACK
LIGHT
T401
Q405
Q412
Q407
Q421
Q420
Q422
Q427
Q414
Q419
Q403
Q409
Q410,
Q413
Q401,Q415Q417,Q429
Q423,
Q425
F401
3.15A
Q404,
Q406
Q416
Q424
CURRENT
CONTROL
SWITCH
3
1
4
7
8
6
5
2
T402
3
1
4
7
8
6
5
2
T403
3
1
4
7
8
6
5
2
DRIVE
DRIVE
SWITCHING
SWITCHING
OSC
PWM
CONTROL
LOGIC
VCC
CURRENT
CONTROL
SWITCH
CURRENT
CONTROL
SWITCH
OVER VOLTAGE
PROTECTOR
OVER VOLTAGE
PROTECTOR
OVER VOLTAGE
PROTECTOR
OVER VOLTAGE
PROTECTOR
OVER VOLTAGE
PROTECTOR
OVER VOLTAGE
PROTECTOR
8
11
5 6
15
3
12
16
2
1
SW+22V
SW
SW+16V
Q428
CN404B
TO SYSTEM
CONTROL
BLOCK
DIAGRAM
(CN105A)
CN404B
INVERTER CBA
LCD MODULE
ASSEMBLY
TO POWER
SUPPLY
BLOCK
DIAGRAM
(CN105A)
JUNCTION
CBA
CL404 CN404A
CL404 CN404A
11
BACKLIGHT-SW
12
BACKLIGHT-ADJ
10PROTECT3
11
11
BACKLIGHT-SW
12
12
BACKLIGHT-ADJ
10
10
PROTECT3
INV+22V
2,5,6
2,5,6
INV+22V
2,5,6

Related product manuals