EasyManua.ls Logo

FUNAI DRV-A3635 - Page 41

FUNAI DRV-A3635
85 pages
Print Icon
To Next Page IconTo Next Page
To Next Page IconTo Next Page
To Previous Page IconTo Previous Page
To Previous Page IconTo Previous Page
Loading...
1-12-9
E9B00SCM7
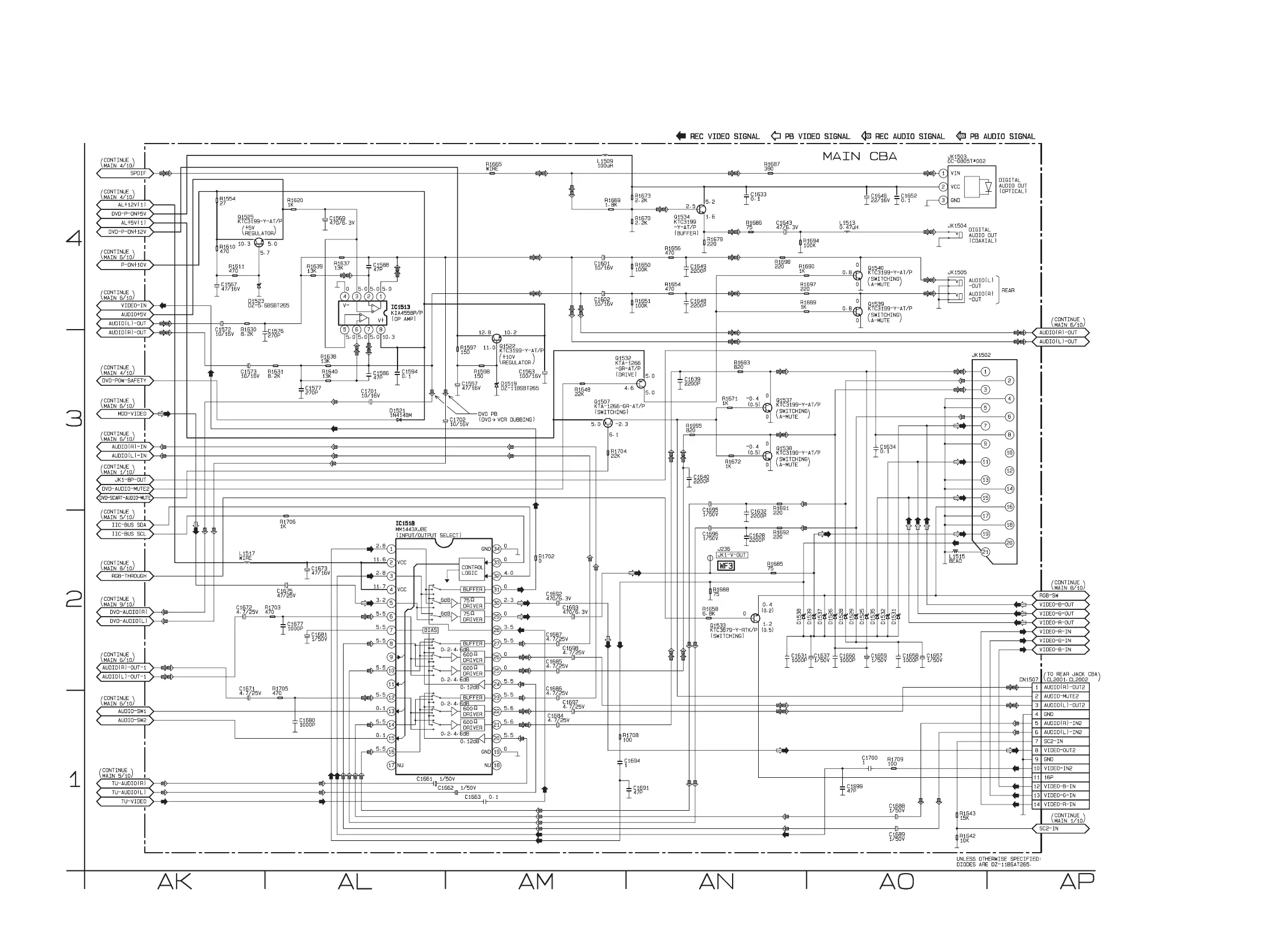
Main 7/10 Schematic Diagram < VCR Section >
www.freeservicemanuals.info
3/21/2018
Digitized in Heiloo Netherlands

Related product manuals