EasyManua.ls Logo

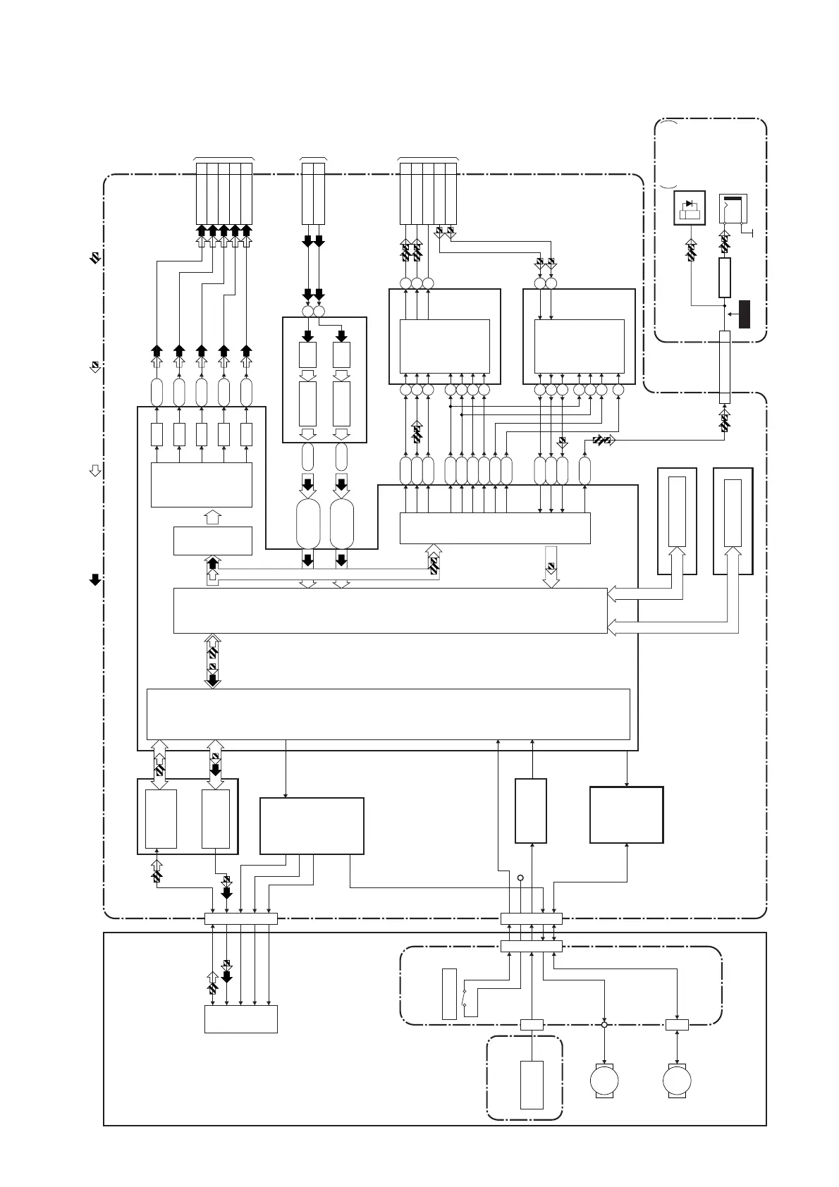
FUNAI DRV-C3835 - Digital Signal Process Block Diagram

FUNAI DRV-C3835
85 pages
Print Icon
To Next Page IconTo Next Page
To Next Page IconTo Next Page
To Previous Page IconTo Previous Page
To Previous Page IconTo Previous Page
Loading...
1-11-2
Digital Signal Process Block Diagram
E9B00BLD
IC101
FRONT-END
DIGITAL
SIGNAL
PROCESS
IC201
RF/
ERROR AMP
IC301
MOTOR
DRIVER
MOTOR
DRIVER
IC202
OP AMP
IC302
IC104 (FLASH MEMORY)
DVD MAIN CBA
TO VIDEO
OUTPUT
SELECT
BLOCK
DIAGRAM
(CN1502)
TO VIDEO
INPUT
SELECT
BLOCK
DIAGRAM
(CN1502)
TO AUDIO
INPUT
/OUTPUT
SELECT
BLOCK
DIAGRAM
(CN1502)
T2
M4
G4
L4
K1
G3
U1
R3
U2
M25
K26
P24
T3
P2
R1
P3
R2
R26
D/A
D/A
D/A
D/A
AUDIO
I/F
VIDEO
ENCODER
BACK-END
DIGITAL
SIGNAL
PROCESS
VIDEO
I/F
FLASH MEMORY
FE
ENCODER
TRAY OPEN
IC102 (DDR SDRAM)
DDR SDRAM
CN201
DVD MECHANISM
TILT
TRACKING
FOCUS
PICK
-UP
SLED
MOTOR
M
REC VIDEO SIGNAL PB VIDEO SIGNAL REC AUDIO SIGNAL PB AUDIO SIGNAL
D/A
ENCODER
CBA
LPC
CN1001
CN701
CN1003
SPINDLE
MOTOR
M
CN1002
RELAY CBA
CN301
+3.3V
IC701 (VIDEO DECODER)
DECODER A/D45-50
Y2, AA4,
AB1-AB4
DECODER A/D39-44
V3, Y3, W1,
Y4, W2, AA3
10
13
VIDEO-Y(I/P)-OUT
24
VIDEO-Y(I)-OUT
30
VIDEO-C-OUT
22
VIDEO-C-IN 8
VIDEO-Cb/Pb-OUT
28
VIDEO-Cr/Pr-OUT
26
VIDEO-Y/CVBS-IN
10
IC801
(AUDIO D/A CONVERTER)
AUDIO D/A
CONVERTER
7
6
8
15
14
16
4
3
5
IC802
(AUDIO A/D CONVERTER)
AUDIO A/D
CONVERTER
7
8
9
13
14
6
2
L-CH
R-CH
MUTE
R-CH
L-CH
10
11
12
CN701
AUDIO(L)-OUT
14
AUDIO(R)-OUT
16
DVD-AUDIO-MUTE
12
AUDIO(L)-IN
20
AUDIO(R)-IN
18
28 28SPDIF
CN101 CN1501
DIGITAL
AUDIO OUT
(COAXIAL)
JK1504 (REAR)
BUFFER
Q1534
MAIN CBA
WF10
CN701
JK1503
(REAR)
FIBER OPTIC
TRANS MODULE
DIGITAL
AUDIO OUT
(OPTICAL)
www.freeservicemanuals.info
3/21/2018
Digitized in Heiloo Netherlands

Related product manuals