EasyManua.ls Logo

FUNAI DRV-C3835 - Video Output Select Block Diagram

FUNAI DRV-C3835
85 pages
Print Icon
To Next Page IconTo Next Page
To Next Page IconTo Next Page
To Previous Page IconTo Previous Page
To Previous Page IconTo Previous Page
Loading...
1-11-5
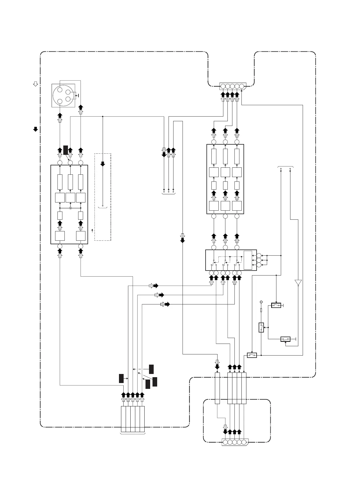
Video Output Select Block Diagram
E9B00BLVOS
REAR JACK CBA
MAIN CBA
CL2001
CL2002
JK1506
S-VIDEO
OUT
3 4
2
1
IC1514 (VIDEO DRIVER)
VIDEO-G IN
VIDEO-OUT2
VIDEO-B IN
VIDEO-R IN
16P
YC
TO SERVO/SYSTEM CONTROL
BLOCK DIAGRAM
TO VIDEO INPUT SELECT
BLOCK DIAGRAM
TO VIDEO
BLOCK DIAGRAM
REC VIDEO SIGNAL PB VIDEO SIGNAL
WF6
WF7
WF9
WF5
WF4
JK1502
JK2001
IC1515 (VIDEO DRIVER)
5
4dB
AMP
2dB
AMP
LPF DRIVER
6
8dB
AMP
-6dB
DRIVER
4dB
AMP
2dB
AMP
LPF DRIVER
3
1
7
4dB
AMP
2dB
AMP
LPF DRIVER
11
4dB
AMP
2dB
AMP
LPF DRIVER
6
10
4dB
AMP
2dB
AMP
LPF DRIVER
8
1
15
IC1509 (SW)
SW
CONTROL
Q1531
Q1530
Q1529
P-ON+3.3V
RGB-THROUGH
Q1533
CN1507
CN1507
14
12
13
15
2
1
4
9 10 11
5
3
VIDEO-G-IN3 13
8 8
VIDEO-B-IN2 12
VIDEO-R-IN414
16P1 11
11
19
15
16
7
VIDEO-G OUT
VIDEO-B OUT
VIDEO-R OUT
16P
11
VIDEO-OUT119
15
16
7
Q1527
OUTPUT-SELECT
DVD-VIDEO
DVD-VIDEO(DUB)
(DVD VCR DUBBING)
VIDEO-OUT2
VIDEO-OUT1
VIDEO-OUT2
TO DIGITAL
SIGNAL PROCESS
BLOCK DIAGRAM
(CN701)
CN1502
30
24
22
28
26
VIDEO-Y(I/P)-OUT
VIDEO-C-OUT
VIDEO-Cb/Pb-OUT
VIDEO-Cr/Pr-OUT
VIDEO-Y(I)-OUT
www.freeservicemanuals.info
3/21/2018
Digitized in Heiloo Netherlands

Related product manuals