EasyManua.ls Logo

FUNAI DRV-C3835 - Page 37

FUNAI DRV-C3835
85 pages
Print Icon
To Next Page IconTo Next Page
To Next Page IconTo Next Page
To Previous Page IconTo Previous Page
To Previous Page IconTo Previous Page
Loading...
1-12-5
E9B00SCM3
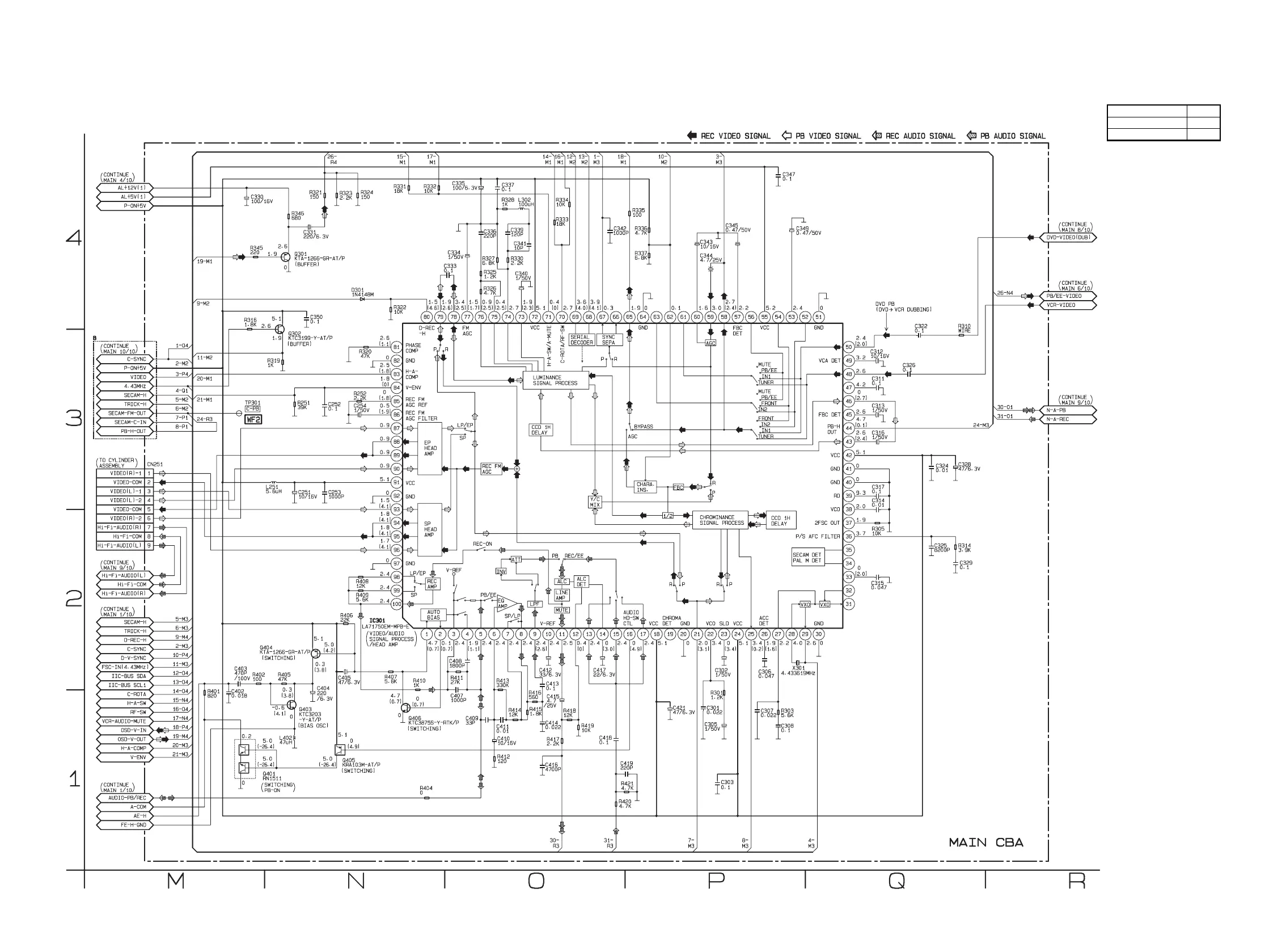
Main 3/10 Schematic Diagram < VCR Section >
Comparison Chart of
Models and Marks
MODEL MARK
DVR-A3635 A
DVR-C3835 B
www.freeservicemanuals.info
3/21/2018
Digitized in Heiloo Netherlands

Related product manuals