EasyManua.ls Logo

FUNAI DRV-C3835 - Page 49

FUNAI DRV-C3835
85 pages
Print Icon
To Next Page IconTo Next Page
To Next Page IconTo Next Page
To Previous Page IconTo Previous Page
To Previous Page IconTo Previous Page
Loading...
1-12-17
E9B00SCD2
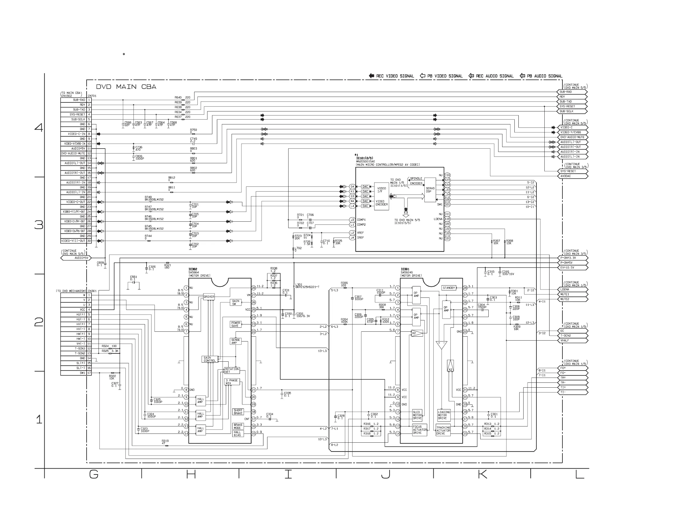
DVD Main 2/5 Schematic Diagram < DVD Section >
The order of pins shown in this diagram is different from that of actual IC101.
IC101 is divided into five and shown as IC101 (1/5) ~ IC101 (5/5) in this DVD Main Schematic Diagram Section.
1 NOTE:
www.freeservicemanuals.info
3/21/2018
Digitized in Heiloo Netherlands

Related product manuals