EasyManua.ls Logo

FUNAI LC320SLX - Block Diagrams

FUNAI LC320SLX
241 pages
Print Icon
To Next Page IconTo Next Page
To Next Page IconTo Next Page
To Previous Page IconTo Previous Page
To Previous Page IconTo Previous Page
Loading...
9-1
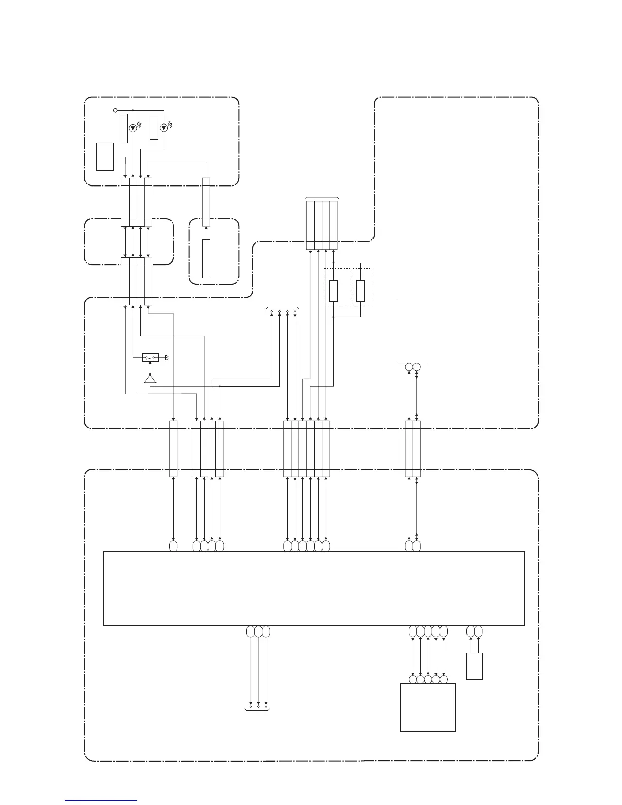
BLOCK DIAGRAMS
System Control Block Diagram
[LC320SLX, 32MF339B/F7, LC320SSX, LC320EMX, LC320EMXF]
A91F3BLS
AC18
KEY SWITCH
IC3301
(MAIN MICRO CONTROLLER)
DIGITAL MAIN CBA UNIT
IR SENSOR CBAFUNCTION CBA
POWER SUPPLY CBA
*1
*2
CL101B
REMOTE
SENSOR
RS102
AL+3.3V
D104
POWER
STANDBY
D105
LED144
CL102A
CL103B
REMOTE22
P-ON-H155
CN302CN3702
CN3702 CN302
CLKOUT
CLKIN
X3101
25MHz
OSC
N1
N2
SCL
SDA
4
5
TU301 (TUNER UNIT)
TO
INVERTER
BLOCK
DIAGRAM
(CN1001)
TO
POWER SUPPLY
BLOCK DIAGRAM
PROTECT3
AE5
VCOM-PWM
AC14
PROTECT2
AD4
PROTECT1
AD5
KEY-IN1
AC5
BACKLIGHT-SW
AB16
LED1
F1
E1
E2
P-ON-H2
AB13
REMOTE
R22
P-ON-H1
PROTECT2
PROTECT1
P-ON-H2
P-ON-H1
R23
JUNCTION
CBA
CN101
KEY-IN166
CL103C
KEY-IN133
CN201
CN101
CN301
Q171
Q172
CN3701
AB23
BACKLIGHT-ADJ
IC3101 (MEMORY)
SCK
SI
SO
AB25
AB24
AC25
AC24
6
5
2
1
E11
3
AC19
SCL
SDA
CN301CN3701
CS
WP
SCK
SIN
SOUT
CS
WP
IC201,Q203,
Q204,Q205
DRIVE
Q205
DRIVE
22
22
SCL
21
21
SDA
11
11
PROTECT1
15
15
PROTECT2
5
5
PROTECT3
29
29
VCOM-PWM
26
26
BACKLIGHT-SW
28
28
BACKLIGHT-ADJ
KEY-IN129 29
P-ON-H199
REMOTE25 25
LED127 27
P-ON-H211
LED144
REMOTE22
P-ON-H155
KEY-IN166
6
PROTECT3
5
BACKLIGHT-SW
4
BACKLIGHT-ADJ
14
VCOM
TO AUDIO
BLOCK
DIAGRAM
AUDIO-MUTE
INPUT0
INPUT1
AUDIO-MUTE
INPUT0
INPUT1
AB9
*1 LC320SLX (Serial No. : DS1A**********),
LC320SLX (Serial No. : DS2A**********),
LC320SLX (Serial No. : DS4A**********),
32MF339B/F7,
LC320SSX,
LC320EMX (Serial No. : DS1A**********),
LC320EMX (Serial No. : DS2A**********),
LC320EMX (Serial No. : DS4A**********),
LC320EMXF
*2 LC320SLX (Serial No. : DS3A**********),
LC320EMX (Serial No. : DS3A**********),

Related product manuals