EasyManua.ls Logo

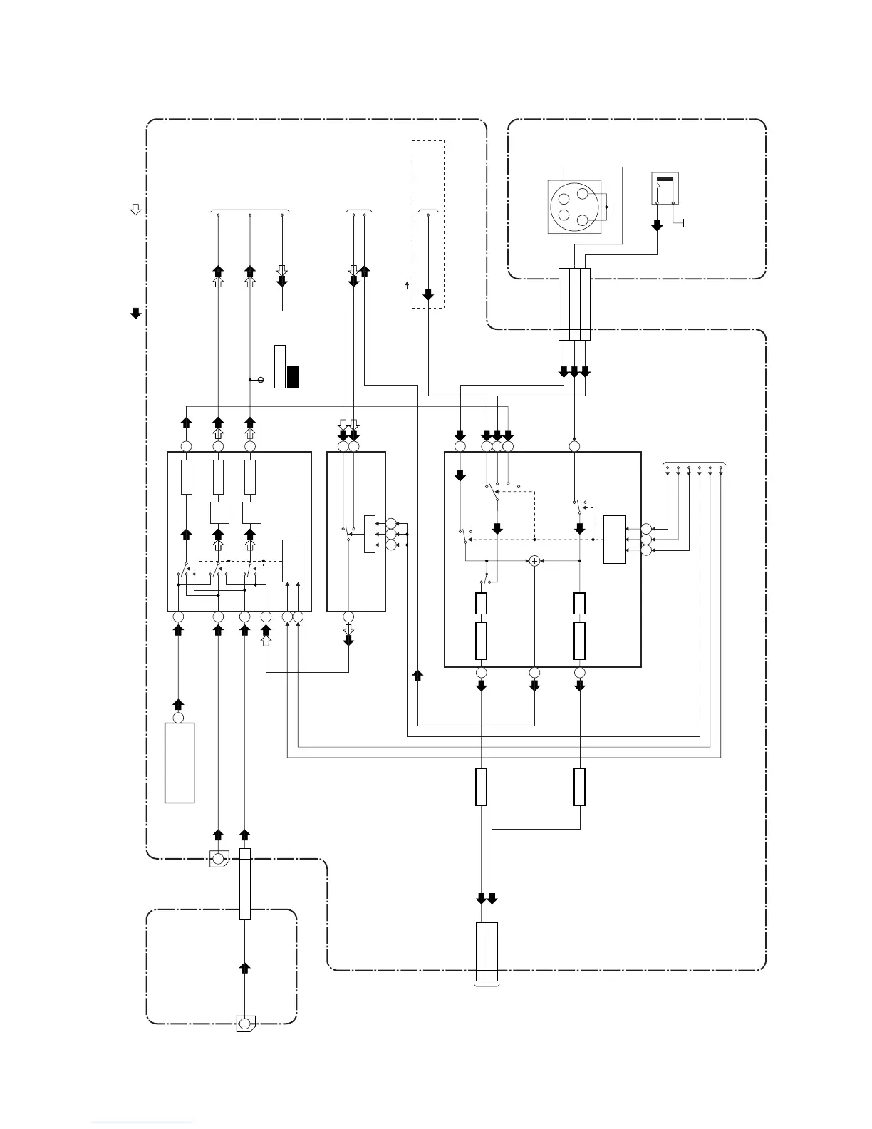
FUNAI W4A-A4180DB - Video Input Select Block Diagram

FUNAI W4A-A4180DB
85 pages
Print Icon
To Next Page IconTo Next Page
To Next Page IconTo Next Page
To Previous Page IconTo Previous Page
To Previous Page IconTo Previous Page
Loading...
1-11-4
Video Input Select Block Diagram
E9G00BLVIS
TO DIGITAL
SIGNAL PROCESS
BLOCK DIAGRAM
(CN701)
REC VIDEO SIGNAL PB VIDEO SIGNAL
(VIDEO INPUT SELECT)
IC1507
VCR
VCR
DVD
VIDEO
TU/LINE
MUTE
MUTE
MUTE
S-VIDEO-Y
S-VIDEO-C
JK1204
S-VIDEO
IN
(FRONT)
VIDEO-IN
(FRONT)
JK1201
19
20
15
8
10
12
21
4
22 23 24
VIDEO-SW2
TO SERVO/SYSTEM CONTROL
BLOCK DIAGRAM
VIDEO-SW3
TU1501 (TUNER UNIT)
17
VIDEO OUT
CONTROL
LOGIC
OUTPUT-SELECT
LPF
LPF
CN1502
CN1505
22FRONT-Y-IN
11FRONT-C-IN
44
FRONT-VIDEO-IN
CN1201
Q1520
Q1521
BUFFER
VIDEO-SW1
IC1518 (VIDEO INPUT SELECT)
IC1508 (SW)
29
33
32
28
1
3
5
30
31
6dB
AMP
CONTROL
LOGIC
SW CTL
6dB
AMP
DRIVER
BUFFER
DRIVER
JK1502
20
VIDEO IN
20
CL2001 CN1507
VIDEO-IN2
10
10
JK2001
VIDEO-IN2
VIDEO-OUT2
VIDEO-OUT1
DVD-VIDEO
PB/EE-VIDEO
VCR-VIDEO
TO VIDEO
OUTPUT SELECT
BLOCK DIAGRAM
TO VIDEO
BLOCK DIAGRAM
TO VIDEO
BLOCK DIAGRAM
IIC-BUS SDA
IIC-BUS SCL
3
5
109 11
4
VCR-VIDEO(DUB)
(VCR DVD DUBBING)
J236
JK1-V-OUT
WF3
VIDEO-Y/CVBS-IN
20
VIDEO-C-IN22
VCR PB
BUFFER
BUFFER
BUFFER
GG
Y
C
MAIN CBA
REAR JACK CBA
FRONT JACK CBA

Related product manuals