EasyManua.ls Logo

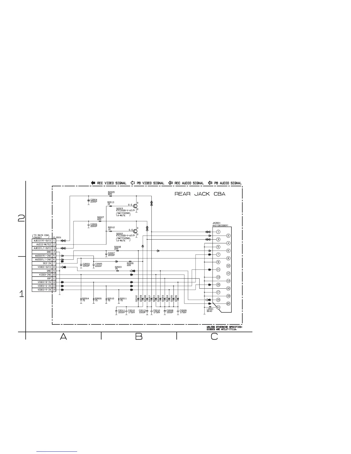
FUNAI W4A-A4180DB - Rear Jack Schematic Diagram (VCR Section)

FUNAI W4A-A4180DB
85 pages
Print Icon
To Next Page IconTo Next Page
To Next Page IconTo Next Page
To Previous Page IconTo Previous Page
To Previous Page IconTo Previous Page
Loading...
1-12-13
E9G00SCRJ
Rear Jack Schematic Diagram < VCR Section >

Related product manuals