EasyManua.ls Logo

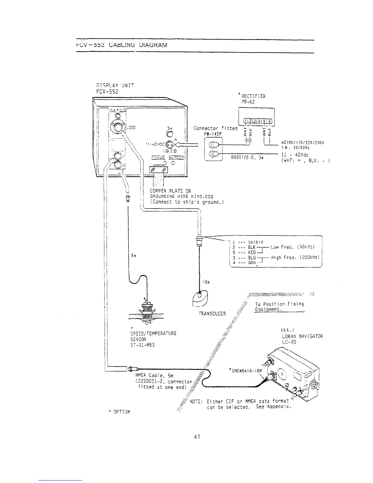
Furuno FCV-552 - FCV-552 CABLING DIAGRAM

Furuno FCV-552
63 pages
Print Icon
To Next Page IconTo Next Page
To Next Page IconTo Next Page
To Previous Page IconTo Previous Page
To Previous Page IconTo Previous Page
Loading...

Table of Contents

Related product manuals