EasyManua.ls Logo

Fusion PowerPlant fp-9001d

Fusion PowerPlant fp-9001d
27 pages
To Next Page IconTo Next Page
To Next Page IconTo Next Page
To Previous Page IconTo Previous Page
To Previous Page IconTo Previous Page
Loading...
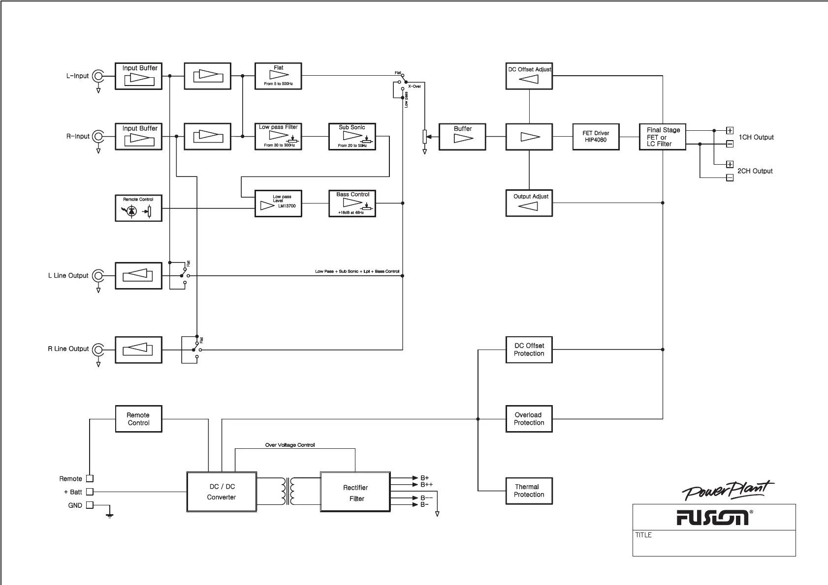
fp-9001d BLOCK DIAGRAM
fp-9001d

Related product manuals