EasyManua.ls Logo

Fusion PowerPlant fp-9001d

Fusion PowerPlant fp-9001d
27 pages
To Next Page IconTo Next Page
To Next Page IconTo Next Page
To Previous Page IconTo Previous Page
To Previous Page IconTo Previous Page
Loading...
6
5
7
8
1
2
3
4
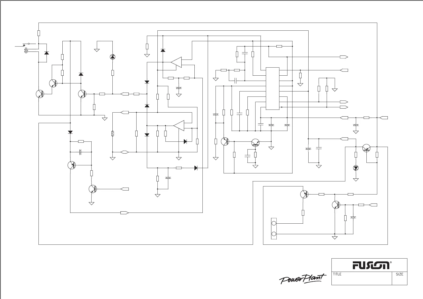
1. C401 47/16 DELETE (2001-12-22)
NOTE
RB3
47K
RB2
10K
RB1
3.3K
CB1
103C
CP8
104C
RP8
1M
CP6
102M
RP7
15K
RP6
22K
RP5
100K
RP2
5.6K
RP10
2.7K
R401
10
R404
10K
R412
3.3K
R413
3.3K
R415
4.7K
Q403
C3198
Q406
A1023
Q408
C1027
D401
1N4002
D403
1N4148
R416
22K
R414
4.7K
Q402
C1027
R405
47K
Q404
A1023
Q405
C3198
D402
1N4148
RP4
5.6K
RP11
100K
R435
4.7
+
CP2
100/16
QB1
C4374
QB2
C4373
RB5
18K
RP17
22K
+
C402
10/16
+
C403
10/16
PWR
BLE
LED1
RED
Q401
C2800Y
Q407
B631
TH1
150K
R403
1M
R402
1K
RP16A
9.1K
+
CP1
100/16
CP7
103C
+
CP13
100/16
RLD1
1K
+
C425
100/25
RP9
2.7K
R411
1(FUSE TYPE)
R407
10K
RL2
330
R406
4.7K
CON2
1
2
CP9
104C
RP23
1K
+
CP3
22/16
ICP2A
2904
RP22
1K
ICP2A
2904
ICP1
KIA494
6
1
2
3
4
5
7
8 9
10
11
12
13
14
15
16
RELAY1
CT11-D12S
RP14
680
+
CP4
2.2U
+
CP5
0.1U
RP19
150K
DP5
IN4148
DP4
1N4148
RP12
33K
RP13
33K
RP16
22K
DP6
1N4148
DP3
1N4148
RP15
10K
DP1
1N4148
RP20
4.7K
RP18
4.7K
DP2
1N4148
RP1
5.6K
CP12
103C
FET_B (PWM_12)
FET_A (PWM_11)
B+ POWER
REMOT
VCC1 (PWM_6)
TH (PWM_3)
(PWM_1)
(PWM_4)
GND (PWM2,7,8)
PROTECTION
(PWM_5)
ON POWER (PWM_9)
B POWER (PWM_10)
fp-9001d PWM1
fp-9001d
CUSTOM

Related product manuals