EasyManua.ls Logo

Fusion PowerPlant fp-9001d

Fusion PowerPlant fp-9001d
27 pages
To Next Page IconTo Next Page
To Next Page IconTo Next Page
To Previous Page IconTo Previous Page
To Previous Page IconTo Previous Page
Loading...
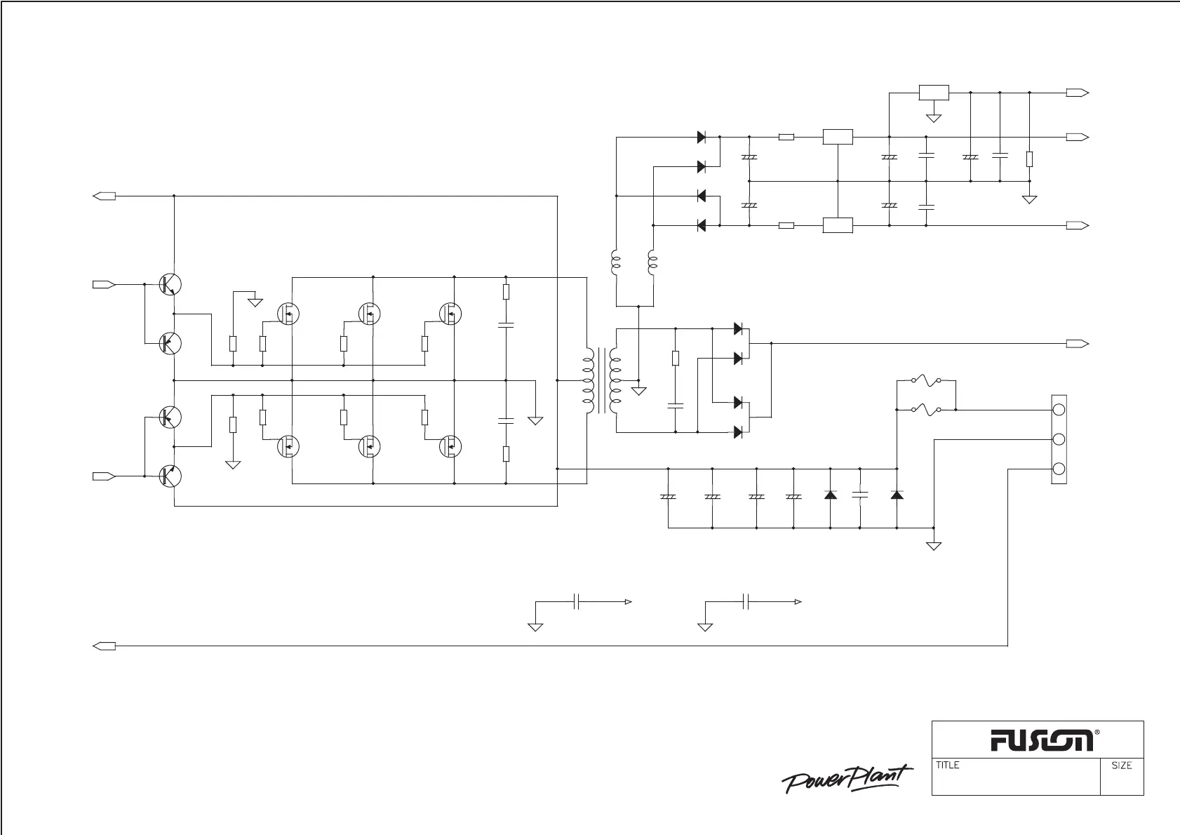
B+
GND
RM T
SSS
S
S
S
NOTE
1. C426 104M ADD (2001-12-22)
CH. GNDCH. GND
R425
10/1W
R426
10/1W
R427
22/1W
R428
22/1W
R429
22/1W
U18
7812P
C1X
224M
Q410
A1023
R420
47
R417
1K
R419
47
C413
224M
D411
1N5402
D409
U30D20C
D408
U30D20C
C426
104M
TER2
3P TER
1
2
3
FUSE1
40A
FUSE2
40A
1 2
T1
13
46
2 5
1 2
R418
1K
R424
47
Q409
C1027
Q411
A1023
Q412
C1027
Q413
IRFP064N
Q414
IRFP064N
Q415
IRFP064N
Q416
IRFP064N
Q417
IRFP064N
Q418
IRFP064N
C404
472M
+
C409
2200/25
+
C410
2200/25
+
C411
2200/25
+
C412
2200/25
+
C415
220/16
C416
104M
C417
104M
+
C418
10/16
C419
104M
D410
1N5402
U16
7912P
U17
78L06
R430
10K
+
C414
220/16
D404
FR104
D405
FR104
D406
FR104
D407
FR107
C408
102M
C405
472M
R423
47
R422
47
R421
47
+
C406
1000/35
+
C407
1000/35
FET_A (PWM_11)
FET_B (PWM_12)
REMOT
B+ POWER
VCC
-12V
+12V
6V
fp-9001d PWM2
fp-9001d
CUSTOM

Related product manuals