EasyManua.ls Logo

Fusion PowerPlant fp-9001d

Fusion PowerPlant fp-9001d
27 pages
To Next Page IconTo Next Page
To Next Page IconTo Next Page
To Previous Page IconTo Previous Page
To Previous Page IconTo Previous Page
Loading...
15
1413
16
3
1
2
4
9
10
11
12
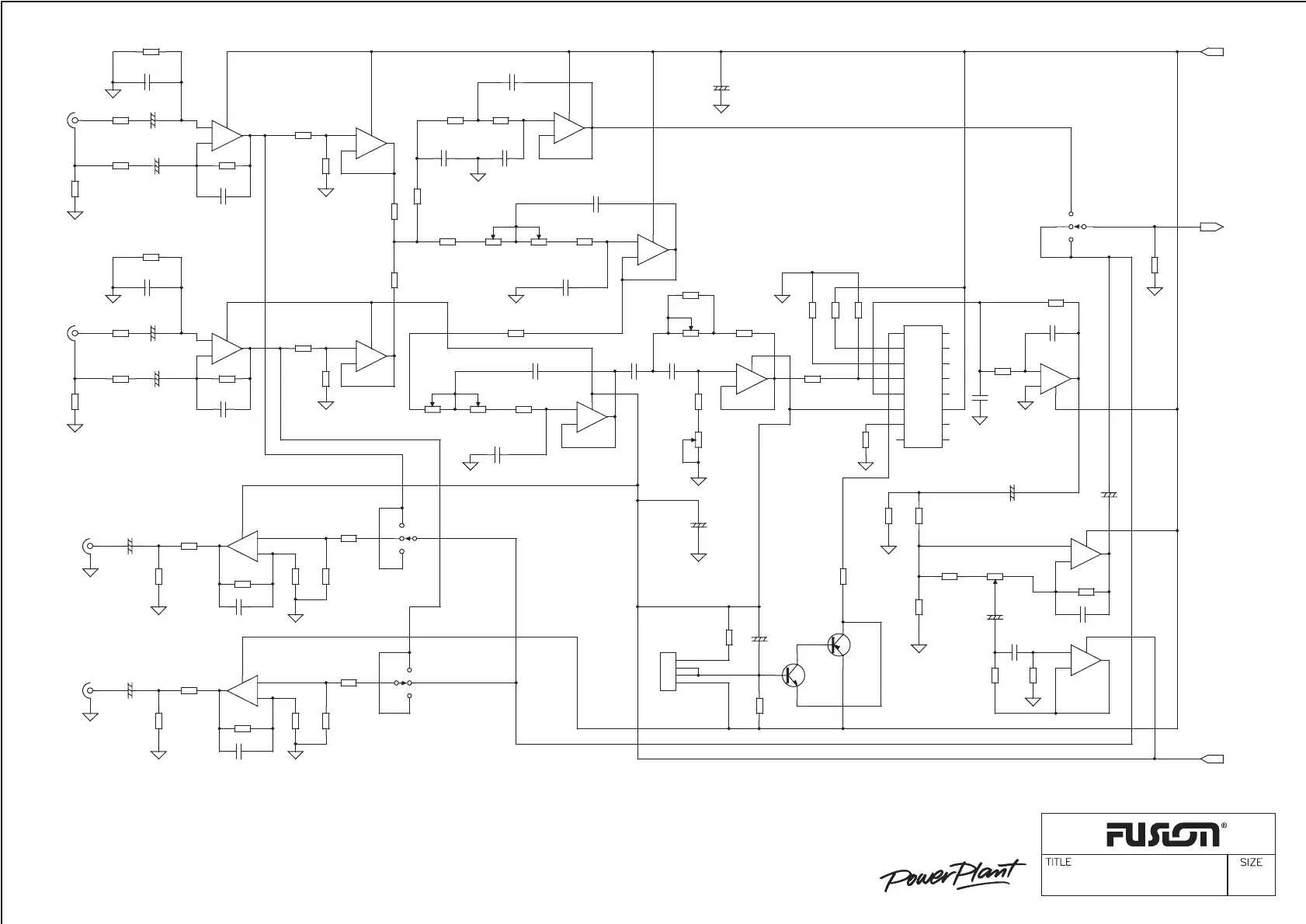
NOTE
1. C121 47/16 -> 4.7/50 CHANGE (2002-04-04)
Q92
MPSA56
+
C129
1/50
U8
NJM13700D
6
1
2
3
4
5
7
8 9
10
11
12
13
14
15
16
L INPUT
1
5
R INPUT
2
5
R106
220
R109
4.7K
R115
4.7K
R116
4.7K
R117
4.7K
R118
4.7K
R119
4.7K
R120
4.7K
C114
563M
+
C101
22/16
C116
563M
+
C102
22/16
C117
184M
C104
100P
C118
184M
C204
100P
VR2B
50K
6 4
5
C124
683M
R133
270K
+
C202
22/16
R121
11K
+
C201
22/16
R122
22K
C203
22P
R123
18K
C103
22P
R134
3.9K
CON1
4
3
2
1
R147
16K
RCA1D
4
6
VR1A
50K
R153
18K
VR1B
50K
6 4
5
R131
3.9K
VR1C
50K
9 7
8
R206
220
VR1D
50K
12 10
11
R246
16K
R247
10K
U4B
NE5532P
5
6
7
4
VR3A
20K
31
2
RCA1C
3
6
R152
100K
R102
22K
R130
10K
R103
22K
R132
430
R104
22K
SW1A
+
CX3
47/25
R105
22K
+
CX4
47/25
R202
22K
RX1
10K
R203
22K
+
C121
4.7/50
R204
22K
SW1A
R205
22K
SW1A
C110
124M
U7A
NE5532P
3
2
1
8
R92
100K
Q91
MPSA06
U1B
NE5532P
5
6
7
4
R201
470
R101
470
U7B
NE5532P
5
6
7
4
R91
4.32K
R93
13K
R145
4.7K
R146
10K
R148
10K
R149
1K
R150
10K
R245
4.7K
R248
10K
R249
1K
R250
10K
U3A
NE5532P
3
2
1
8
U3B
NE5532P
5
6
7
4
U4A
NE5532P
3
2
1
8
U5B
NE5532P
5
6
7
4
U5A
NE5532P
3
2
1
8
R107
10K
R108
1K
R124 511
R125
15.4K
R126
511
R128
5.11K
R129
10K
R207
10K
C113
124M
C115
124M
C119
473M
C120
223M
+
C122
1/50
C123
104M
C131
100P
+
C132
10/16
+
C232
10/16
C231
100P
C112
223M
+
C125
10/16
U1A
NE5532P
3
2
1
8
U2A
NE5532P
3
2
1
8
C111
563M
U2B
NE5532P
5
6
7
4
R208
1K
R143
47K
VR2A
50K
R127
511
U6A
NE5532P
3
2
1
8
+12V
S-OUTPUT
-12V
fp-9001d INPUT
fp-9001d
CUSTOM

Related product manuals