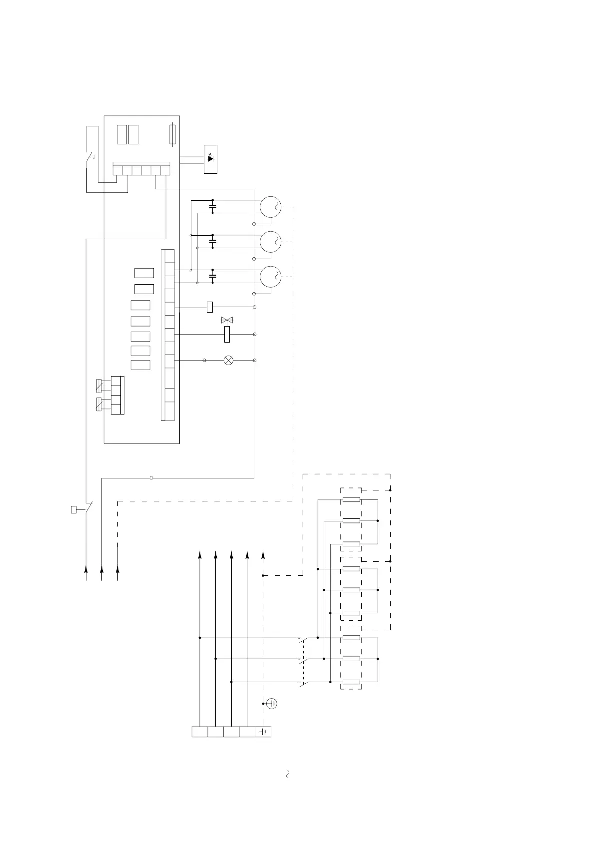
4.0 - Schemi elettrici - Wiring diagrams - Schémas électriques
Schaltpläne - Esquemas eléctricos
101GE VAP
101GL VAP
104PE VAP
C1-C2-C3 CONDENSATORE CAPACITOR CONDENSATEUR KONDENSATOR CONDENSATOR
BL BACK LIGTH - RETROILLUMINAZIONE BACK LIGTH - BACK LIGTH - BACK LIGTH - BACK LIGTH -
HL1 LAMPADA CELLA HALLOGEN LAMP HALLOGENE LAMPE HALOGENBELEUCHTUNG LAMPARA
KM1 CONTATTORE RESISTENZE ELEMENTS CONTACTOR CONTACTEUR RESISTENCE HEIZKORPERSCHUTZ GARRAUM CONTACTOR RESISTENCIA
M1-M2 MOTORE VENTILATORE MOTOR FAN MOTEUR MOTOR MOTOR
P1 SONDA TERMOSTATO THERMOSTAT PROBE SONDE THERMOSTAT FUHLER SONDA TERMOSTATO
P2 SONDA AL CUORE CORE PROBE SONDE AU COEUR FUHLER SONDA AL CORAZON
R1-R2-R3 RESISTENZA HEATING ELEMENT RESISTANCE HEIZKORPER RESISTANCIA
R4-R5-R6 RESISTENZA HEATING ELEMENT RESISTANCE HEIZKORPER RESISTANCIA
R7-R8-R9 RESISTENZA HEATING ELEMENT RESISTANCE HEIZKORPER RESISTANCIA
SB1 MICROINTERRUTTORE PORTA DOOR SWITCH MICRO PORTE TURKONTAKTSCHALTER MICRO PUERTA
ST1 TERMOSTATO DI SICUREZZA SAFETY THERMOSTAT THERMOSTAT DE SICURITE SICHERHEITSTHERMOSTAT TERMOSTATO DE SEGURIDAD
X1 MORSETTIERA DI ALIMENTAZIONE SUPPLY TERMINAL BOARD BORNE ALIMENTATION VERSORGUNGSKLEMMENLEISTE REGLETE DE ALIMENTACION
X2 MORSETTIERA DI DERIVAZIONE BRANCH TERMINAL BOARD BORNE DE DERIVATION ABZWEINGUNGSKLEMMENLEISTE REGLETE DE DERIVACION
YV1-2-3 ELETTROVALVOLA ACQUA SOLENOID VALVE HUMIDIFIER ELECTROVANNE HUMIDIFICATEUR MAGNETICVENTIL BESCHWADUNG ELECTROVALVULA HUMIDIFICADOR
129
L1
N
PE
SB1
c
no
L
1
ST1
t>
1
2
X2
1
X2
3
BL
C1
KM1
a1
a2
M
1
M1
HL1
X2
1
rosso
YV1-2-3
X2
1
X2
1
123456
fuse
1234
1
2
3
4
5
6
X2
1
J6
J2
J1
N
L1
P2P1
nero
blu
C2
M
1
M2
rosso
X2
1
nero
blu
X1
1
2
3
5
L1
L2
L3
N
PE
135
6
42
KM1
R1 R2
R3
400V 3N 50/60Hz
L1
N
PE
R4 R5
R6
R7 R8
R9
C3
M
1
M3
rosso
X2
1
nero
blu
X2
4
X2
5
X2
5
X2
4