EasyManua.ls Logo

Gardner Denver EAPQMC - Page 44

Gardner Denver EAPQMC
76 pages
Print Icon
To Next Page IconTo Next Page
To Next Page IconTo Next Page
To Previous Page IconTo Previous Page
To Previous Page IconTo Previous Page
Loading...
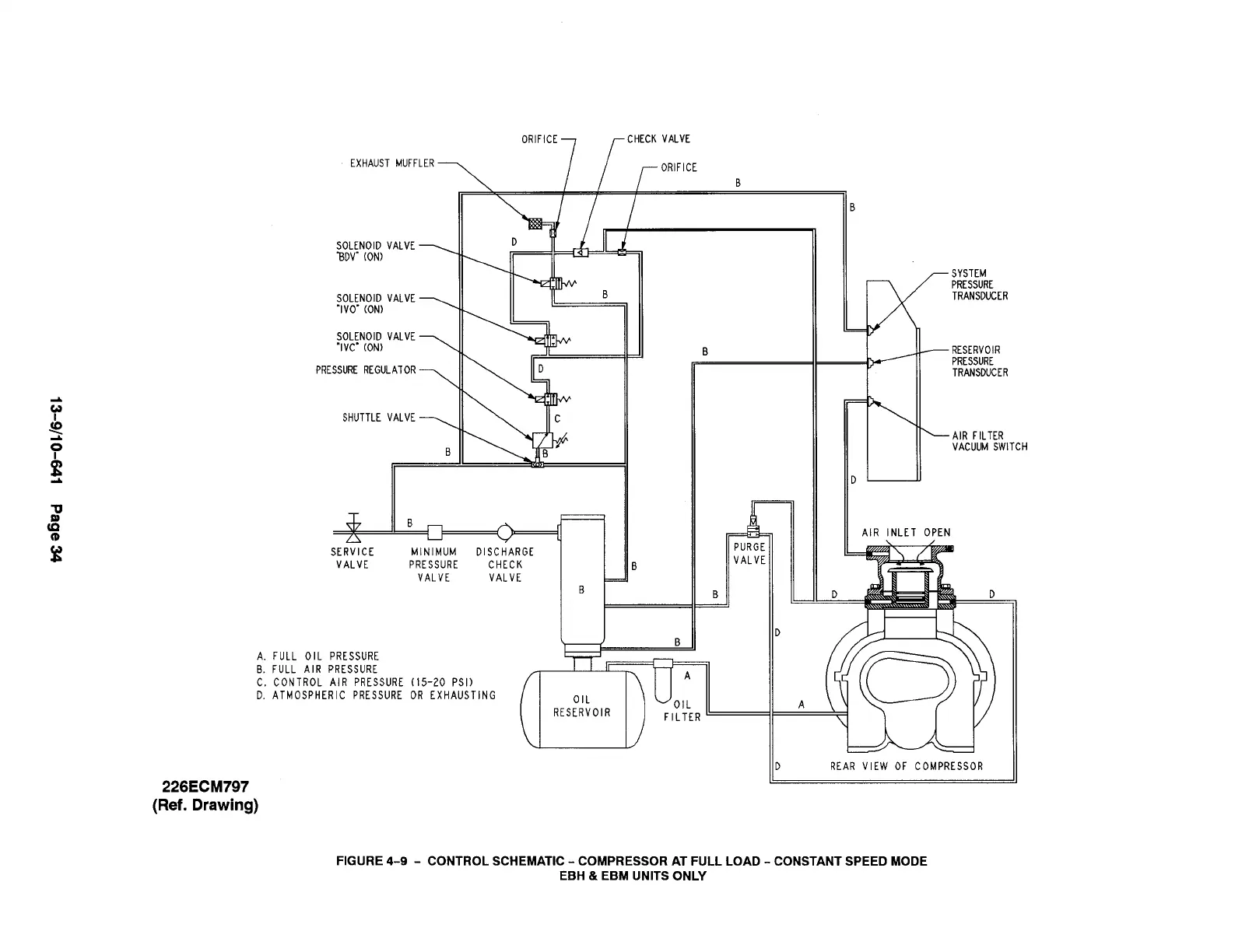
ORIFICL
lr
CHECK VALVE
EXHAUST MUFFLER>
/-- ORIFICE
SOLENOID VALVE~
%DV” (ON)
SOLENOID VALVE=
“IVO”(ON)
SOLENOID VALVE>
“IVC”(ON)
PRESSUREREGULATOR
SHUTTLE VALVE>
1 / I
B
D
(
B
+
B
n
u
A
u
SERVICC
VALVE
A, FULL OIL PRESSURE
B. FULL AIR PRESSURE
C. CONTROL AIR PRESSURE
D. ATMOSPHERIC PRESSURE
226ECM797
(Ref. Drawing)
MINIMUM
DISCHARGE
PRESSURE
CHECK
VALVE VALVE
(15-20 PSI)
OR EXHAUSTING
B
B
-
B
II
-
FILTER
SYSTEM
PRESSURE
TRANSDUCER
_ RESERVOIR
PRESSURE
TRANSDUCER
‘AIR FILTER
VACUUM SWITCH
,U
AIR INLET OPEN
A
REAR VIEW OF COMPRESSOR
FIGURE 4-9 - CONTROL SCHEMATIC - COMPRESSOR AT FULL LOAD - CONSTANT SPEED MODE
EBH & EBM UNITS ONLY

Table of Contents

Related product manuals