EasyManua.ls Logo

Gardner Denver EAPQMC - Oil Change and Lubrication Procedures

Gardner Denver EAPQMC
76 pages
Print Icon
To Next Page IconTo Next Page
To Next Page IconTo Next Page
To Previous Page IconTo Previous Page
To Previous Page IconTo Previous Page
Loading...
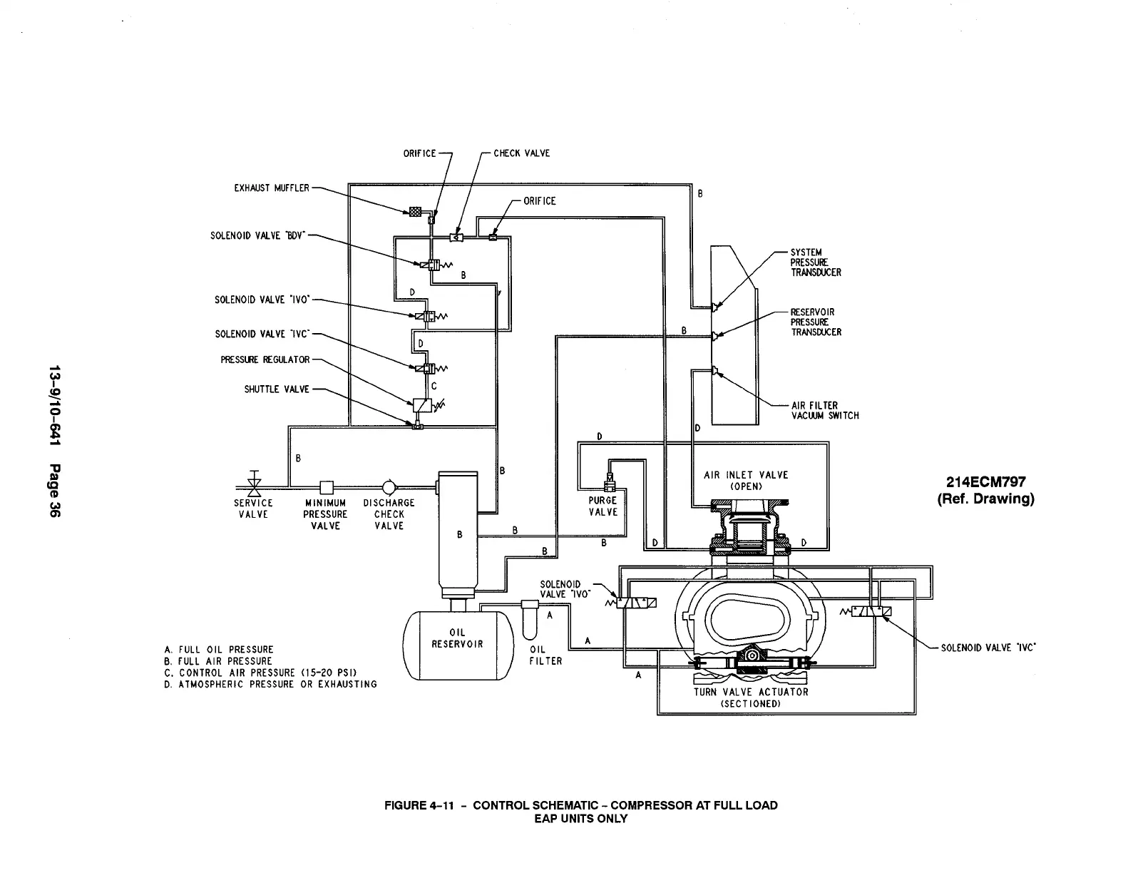
‘R’F’CE7rcHEcKvMvE
A.
B,
c.
D.
I /
EXHAUSTMUFFLER_
II 1 I II.
w
IJ
ORIFICE
SOLENOIDVALVE ~V”~
B
SOLENOIDVALVE “lV&~
o
II
SOLENOIOVALVE “IV’”~
~SS~E KGULATOR
SHUTTLEVALVE>
B
+ I n
u
A
v
i
SERVICE MINIMUM DISCHARGE
VALVE PRESSURE CHECK
VALVE VALVE
FULL OIL PRESSURE
FULL AIR PRESSURE
CONTROL AIR PRESSURE (15-20 PSI)
ATMOSPHERIC PRESSURE OR EXHAUSTING
[
D
5
PURGE
VALVE
B D
.
~ SYSTEM
PRESSURE
TRANS~ER
- RESERVO1’
PRESSUK
TRANSWER
‘AIR FILTER
VACWM SWITCH
AIR INLET VALVE
(OPEN)
II
(SECTIONED)
214ECM797
(Ref. Drawing)
- SOLENOIDVWVE “IVC”
FIGURE 4-11 - CONTROL SCHEMATIC - COMPRESSOR AT FULL LOAD
EAP UNITS ONLY

Table of Contents

Related product manuals