EasyManua.ls Logo

Gardner Denver EAPQMC - Low Demand Mode

Gardner Denver EAPQMC
76 pages
Print Icon
To Next Page IconTo Next Page
To Next Page IconTo Next Page
To Previous Page IconTo Previous Page
To Previous Page IconTo Previous Page
Loading...
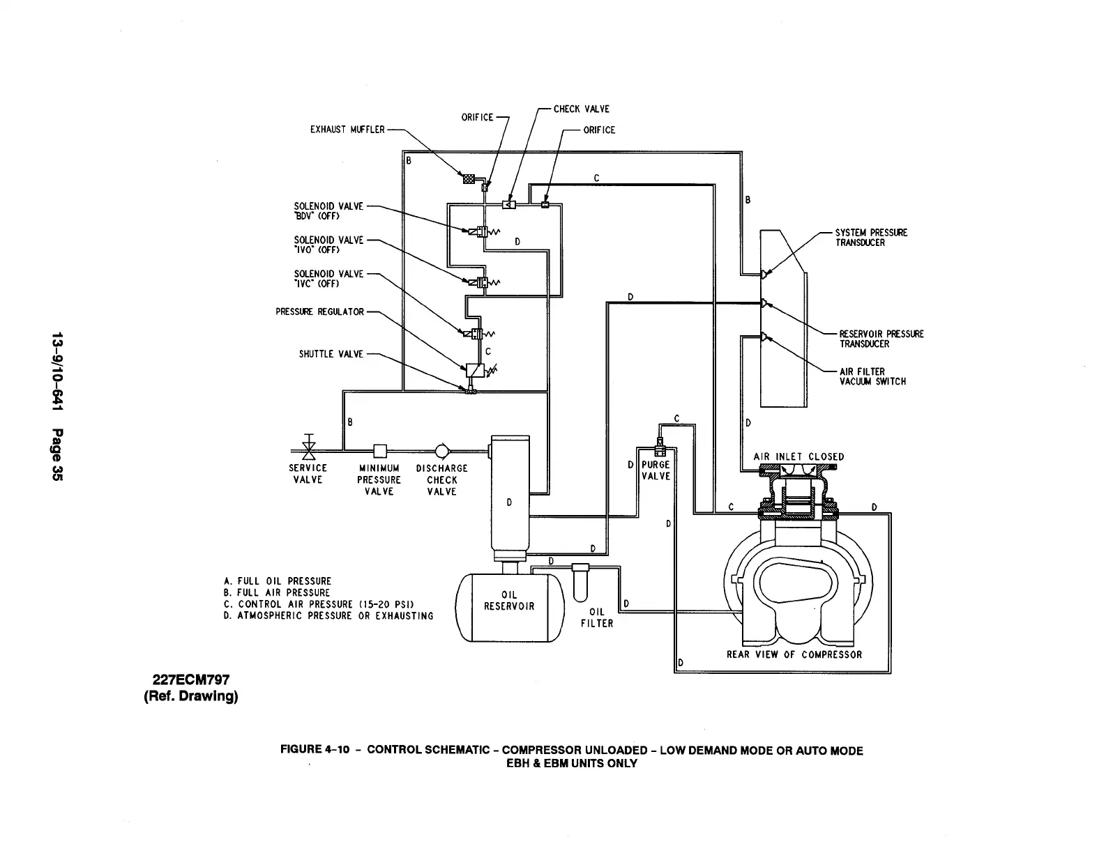
CHECKVALVE
ORIFICE
EXHAUST MUFFLER
ORIFICE
B
/ / I
SOLE
BDV’
SOLE
“Ivo”
SOLE
“Ivr
PRESSm
SHU
*
SERVICE
VALVE
A. FULL OIL PRESSURE
B. FULL AIR PRESSURE
C. CONTROL AIR
D. ATMOSPHERIC
B
n A
[
MINIMUM
DISCHARGE
PRESSURE
CHECK
VALVE
VALVE
D
D
D
Ir
OIL
PRESSURE (15-20 PSI)
RESERVOIR
PRESSURE OR EXHAUSTING
OIL
FILTER
u
227ECM797
(Ref. Drawing)
K
SYSTEM PRESS~E
TRANSMtCER
> ~sERvolR p~’jsuRE
TRAN$DUC[R
> AIR FILTER
VACUW SWITCH
AIR INLET CLOSED
FIGURE 4-10-
CONTROL SCHEMATIC - COMPRESSOR UNLOADED - LOW DEMAND MODE OR AUTO MODE
EBH & EBM UNITS ONLY

Table of Contents

Related product manuals