EasyManua.ls Logo

GE Multilin 469 - Page 30

GE Multilin 469
338 pages
Print Icon
To Next Page IconTo Next Page
To Next Page IconTo Next Page
To Previous Page IconTo Previous Page
To Previous Page IconTo Previous Page
Loading...
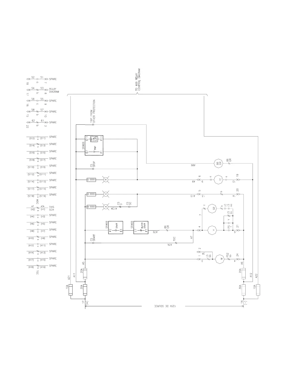
1–22 469 MOTOR MANAGEMENT RELAY – INSTRUCTION MANUAL
CHAPTER 1: GETTING STARTED
FIGURE 1–4: Typical Breaker Control Diagram
806551A1.CDR

Table of Contents