EasyManua.ls Logo

GE 869 - Page 318

GE 869
606 pages
Print Icon
To Next Page IconTo Next Page
To Next Page IconTo Next Page
To Previous Page IconTo Previous Page
To Previous Page IconTo Previous Page
Loading...
4–186 869 MOTOR PROTECTION SYSTEM – INSTRUCTION MANUAL
PROTECTION CHAPTER 4: SETPOINTS
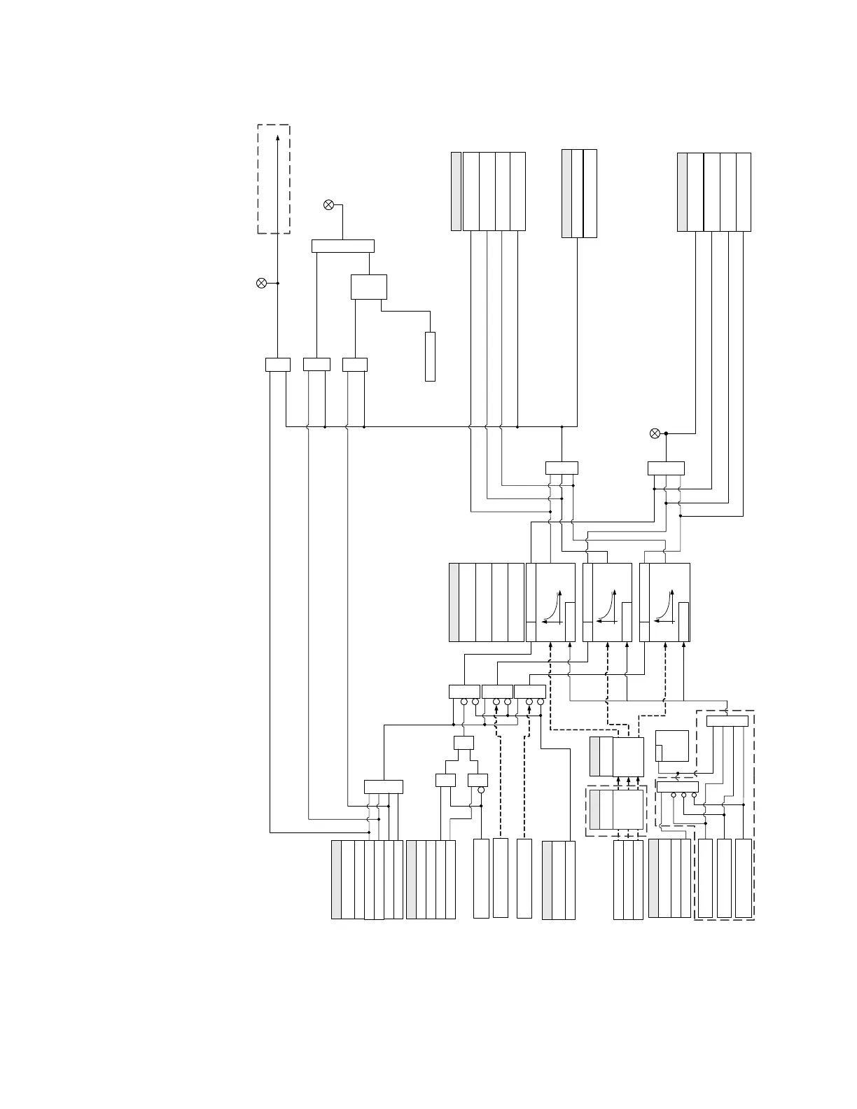
Figure 4-66: Phase Time Overcurrent Protection logic diagram
894149A1.CDR
SETPOINTS
Phase A current (Ia)
SETPOINT
FUNCTION:
Disabled
Trip
PICKUP:
CURVE:
TDM:
Phase B current (Ib)
Phase C current (Ic)
OR
Operate Output Relay 1 (TRIP)
LED: PICKUP
OR
Alarm
OR
OR
Phase Currents
AND
Latched Alarm
AND
RUN Ia > PICKUP
RUN Ib > PICKUP
RUN Ic > PICKUP
Adjust PKP
Adjust PKP
Adjust PKP
SETPOINTS
BLOCK :
Off = 0
LED: ALARM
RESET
Command
AND
S
R
LATCH
Configurable
FlexLogic Operands
Phase TOC 1 OP
Phase TOC 1 OP:C
Phase TOC 1 OP:B
Phase TOC 1 OP:A
FlexLogic Operands
Phase TOC 1 PKP
Phase TOC 1 PKP C
Phase TOC 1 PKP B
Phase TOC 1 PKP A
SETPOINTS
INPUT:
Phasor,
RMS
RESET:
From Cold Load Pickup
TOC Pickup Raise
From Autoreclose
TOC Pickup Raise
SETPOINTS
OUTPUT RELAYS
Do Not Operate, Operate
LED: TRIP
Set
Dominant
From Manual Close Blocking
TOC Pickup Raise
RUN
Calculate
Voltage
Restraint
Multiplier
SETPOINT
VOTAGE RESTRAINT:
Disabled
Enabled
AND
Ph A Reverse (from Phase
Directional OC element)
SETPOINTS
DIRECTION:
Disabled
Forward
Reverse
OR
AND AND
AND AND
Ph B Reverse (from Phase
Directional OC element)
Same Logic as for Phase A
Ph C Reverse (from Phase
Directional OC element)
Same Logic as for Phase A
AND
OR
SETPOINTS
SIGNAL
INPUT:
CT Bank 1 –
J1
CONFIGURABLE IN
845
USED ONLY IN
850
USED ONLY IN 845

Table of Contents

Other manuals for GE 869

Related product manuals