EasyManua.ls Logo

GE 889 - Page 260

GE 889
580 pages
Print Icon
To Next Page IconTo Next Page
To Next Page IconTo Next Page
To Previous Page IconTo Previous Page
To Previous Page IconTo Previous Page
Loading...
4–130 889 GENERATOR PROTECTION SYSTEM – INSTRUCTION MANUAL
PROTECTION CHAPTER 4: SETPOINTS
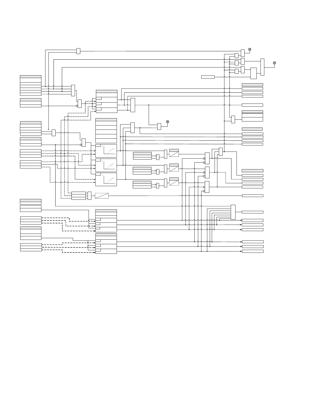
Figure 4-44: Percent and Instantaneous Differential Protection Logic Diagram
SETPOINT
Ia Diff 2nd Harm
MINIMUM PICKUP:
AND
Ib Diff 2nd Harm
Ic Diff 2nd Harm
Differential 2nd Harmonic
SETPOINT:
OUTPUT RELAY 1(X),
upon selection
SETPOINT
BLOCK
Off = 0
Phase A Diff current (Ia Diff )
Phase B Diff current (Ib Diff )
Phase C Diff current (Ic Diff)
Differential Currents
Phase A Rest current (Ia Restr )
Phase B Rest current (Ib Restr )
Phase C Rest current (Ic Restr)
Restraint Currents
SETPOINT
INRUSH INHIBIT
Disabled= 0
2nd Harm Block
Slope 1
Break 1
Break 2
Slope 2
RUN
RUN
RUN
INRUSH INHIBIT MODE
INRUSH INHIBIT LEVEL
Ia Diff 2nd Harm LEVEL
Ib Diff 2nd Harm LEVEL
SETPOINT
Ic Diff 2nd Harm LEVEL
RUN
RUN
SETPOINT
OVEREXCITATION
INHIBIT
Disabled = 0
5th Harm Block
Ia Diff 5th Harm
Ia Diff 5th Harm
Ia Diff 5th Harm
Differential 5th Harmonic
OVEREXC. INHIBIT LEVEL
Ia Diff 5th Harm LEVEL
Ib Diff 5th Harm LEVEL
SETPOINT
Ic Diff 5th Harm LEVEL
RUN
RUN
RUN
AND
AND
AND
LED: PICKUP
OR
RUN
2nd Harm Diff A
2nd Harm Diff B
2nd Harm Diff C
5th Harm Diff A
5th Harm Diff B
5th Harm Diff C
SETPOINTS
FUNCTION:
Disabled= 0
Trip
OR
OR
AND AND
LED: ALARM
AND
S
R
LATCH
Configurable
LED: TRIP
RESET
Command
Set Dominant
Do Not Operate, Operate
r
d
(Ia Diff /
Ia Restr ) >
r
d
(Ib Diff /
Ib Restr) >
(Ic Diff /
Ic Restr) >
r
d
I
ad
>(0.5 x PKP)
I
bd
>(0.5 x PKP)
I
cd
>(0.5 x PKP)
OR
Ovrl Percent Diff Warn
10s
0s
FlexLogic Operands
OR
Ovrl Pcnt Diff Blocked
SETPOINTS
INSTANTANEOUS DIFF
FUNCTION:
Disabled = 0
Trip
Alarm
Latched Alarm
Configurable
OR
AND
SETPOINT
INST DIFF BLOCK:
Off = 0
|Iad| > Pickup
RUN
SETPOINT
INST DIFF PICKUP:
|Ibd| > Pickup
|Icd| > Pickup
RUN
RUN
OR
Instant Diff OP C
Instant Diff OP
Instant Diff OP B
Instant Diff OP A
FlexLogic Operands
OR
OR
OR OR OR
Ovrl Percent Diff Sat C
FlexLogic Operands
Ovrl Percent Diff Dir C
OR
Ovrl Percent Diff Sat B
FlexLogic Operands
Ovrl Percent Diff Dir B
OR
Ovrl Percent Diff Sat A
FlexLogic Operands
Ovrl Percent Diff Dir A
OR
AND
T
pkp
0
T
pkp
0
T
pkp
0
SETPOINT
SETPOINT
SETPOINT
AND AND
OR
Ovrl Percent Diff OP A
Ovrl Percent Diff OP B
Ovrl Percent Diff OP C
Ovrl Percent Diff OP
OR
Ovrl Percent Diff PKP A
Ovrl Percent Diff PKP B
Ovrl Percent Diff PKP C
Ovrl Percent Diff PKP
FlexLogic Operands
894146.CDR

Table of Contents

Related product manuals