EasyManua.ls Logo

GE 889 - Page 285

GE 889
580 pages
Print Icon
To Next Page IconTo Next Page
To Next Page IconTo Next Page
To Previous Page IconTo Previous Page
To Previous Page IconTo Previous Page
Loading...
CHAPTER 4: SETPOINTS PROTECTION
889 GENERATOR PROTECTION SYSTEM – INSTRUCTION MANUAL 4–155
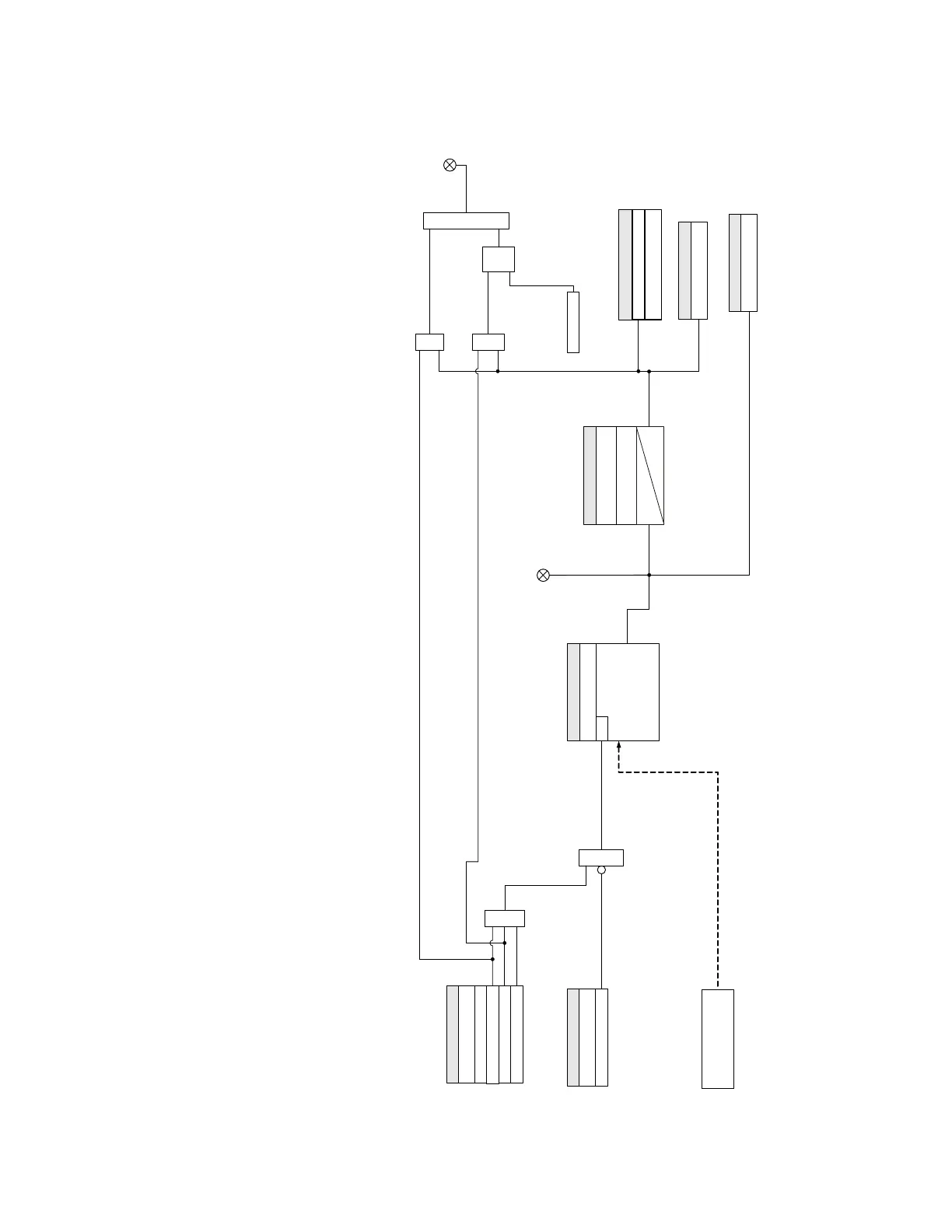
Figure 4-55: Generator Overload Alarm Logic Diagram
SETPOINT
Load Current from
Generator Metering (J1-CT
Bank)
RUN
SETPOINT
Function
Disabled
Pickup
Dropout Delay
AND
LED: PICKUP
Alarm
OR
OR
AND
Latched Alarm
AND
SETPOINT
Block
Off = 0
Load Current >
PICKUP
SETPOINT
t
PKP
LED: ALARM
RESET
Command
S
R
LATCH
Configurable
SETPOINTS
Output Relay
Do Not Operate, Operate
t
DPO
Pickup Delay
Set
Dominant
Overload Alarm PKP
FlexLogic Operands
Overload Alarm OP
FlexLogic Operands
894145.CDR

Table of Contents

Related product manuals