EasyManua.ls Logo

GE 889 - Page 476

GE 889
580 pages
Print Icon
To Next Page IconTo Next Page
To Next Page IconTo Next Page
To Previous Page IconTo Previous Page
To Previous Page IconTo Previous Page
Loading...
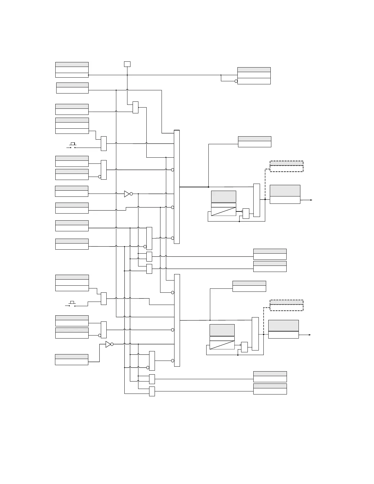
4–346 889 GENERATOR PROTECTION SYSTEM – INSTRUCTION MANUAL
CONTROL CHAPTER 4: SETPOINTS
Figure 4-147: Local Control for Switches
894202A1.cdr
FLEXLOGIC OPERAND
SW1 Local Open
FLEXLOGIC OPERAND
SW1 Loc Blk Open By
FLEXLOGIC OPERAND
SW1 Loc Blk Open
FLEXLOGIC OPERAND
SW1 Local Close
FLEXLOGIC OPERAND
SW1 Loc Blk Cls By
FLEXLOGIC OPERAND
SW1 Loc Blk Close
SW 1 OPEN SEAL - IN
0
T
PKP
AND
OR
Relay ( Ready = 1)
SW 1: Open Relay Select
Setpoints/System/
Switches/SW1:
to output
relay
selected to
open SW1
Setpoints/Control/
Switch Control/
SW1:
SW 1 CLOSE SEAL -IN
0
T
PKP
AND
OR
Relay ( Ready = 1)
SW 1: Close Relay
Select
Setpoints/System/
Switches/SW1:
to output
relay
selected to
close SW1
Setpoints/Control/
Switch Control/
SW1:
FLEXLOGIC OPERAND
SW1 Open Cmd
FLEXLOGIC OPERAND
SW1 Close Cmd
* The logic shows the local control for Disconnect Switch 1
when Select Before Operate setpoint is set to Enabled.
The local switch control is not available when SBO is set to
Disabled.
SETPOINT
Switch1 Local Open
Off=0, Pushbutton # ON =1
SETPOINT
Local Mode
Off = 0
FLEXLOGIC OPERAND
Local Mode ON
Local Mode OFF
LM
Shows on display banner
AND
FLEXLOGIC OPERAND
Tag ON
from Tagging logic
AND
AND
AND
FLEXLOGIC OPERAND
SWt1 Opened
FLEXLOGIC OPERAND
SW1 Closed
AND
SETPOINT
Switch Local Close
Off=0, Pushbutton # ON =1
AND
from Disconnect Switch status detection logic
FLEXLOGIC OPERAND
SW1 Selected
from Bkr/Sw selection logic
AND
FLEXLOGIC OPERAND
Block ON
from Local Block logic
FLEXLOGIC OPERAND
Bypass Block ON
From Local Bypass Block logic
FLEXLOGIC OPERAND
SW1 Rem Blk Open By
FLEXLOGIC OPERAND
SW1 Rem Blk Open
AND
FLEXLOGIC OPERAND
SW1 Rem Blk Cls By
FLEXLOGIC OPERAND
SW1 Rem Blk Close
AND
from Switch Control logic
from Switch Control logic
OPEN
command
PB “SW[X] Local Close”
PB “SW[X] Local Open”
AND AND
AND AND
from Switch status detection logic
FLEXLOGIC OPERAND
SBO Enabled

Table of Contents

Related product manuals