EasyManua.ls Logo

GE EX2100 - Page 35

GE EX2100
118 pages
Print Icon
To Next Page IconTo Next Page
To Next Page IconTo Next Page
To Previous Page IconTo Previous Page
To Previous Page IconTo Previous Page
Loading...
EX2100 User’s Guide GEH-6632 Chapter 2 Functional Description
2-15
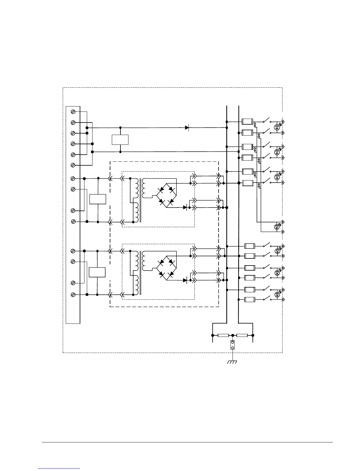
addition there is an isolated 70 V dc output for use by EXTB and ECTB for contact
wetting.
Up to three ground detection modules (EGDM) are also mounted in the EPBP, as
shown in Figure 2-9. These communicate with the EXAM module, which is located
in the auxiliary cabinet.
Exciter Power Distribution Module (EPDM)
7
3
10
9
12
7
10
9
12
TB1
1
2
3
4
5
6
15
16
17
18
23
24
115 Vac DACA #1
115 Vac DACA #2
3
1
33
125
V dc
115
Vac
Filter
Filter
Filter
21
22
115
Vac
1
JDACA1
JDACA1
1
JDACA2
1
JDACA2
BJS jumper is supplied for
isolation of ground reference
on systems with external
reference
7
10
9
12
7
10
9
12
P125V
N125V
1
2
1
2
1
2
1
3
SW4
SW5
SW6
FU1
FU2
1
2
FU3
1
2
1
2
SW1
SW2
SW3
DS1
G
FU4
FU5
FU6
DS2
G
DS3
G
DS4
G
DS5
G
DS6
G
DS7
G
Chassis
Ground
BJS
R1 R2
To
EGPA1
To
EGPA2
To
EGPA3
To
EXTB
To
EPSM1
To
EPSM2
To
EPSM3
J9
J1M1
J1M2
J1C
J8C
J8B
J8A
P125
N125
AC1 Hot
AC1 Neu.
AC2 Hot
AC2 Neu.
3.15A
3.15A
3.15A
3.15A
3.15A
3.15A
FU9
FU10
FU11
FU12
FU7
FU8
8A
8A
8A
8A
8A
8A
Figure 2-8. Exciter Power Distribution Module

Table of Contents

Related product manuals