EasyManua.ls Logo

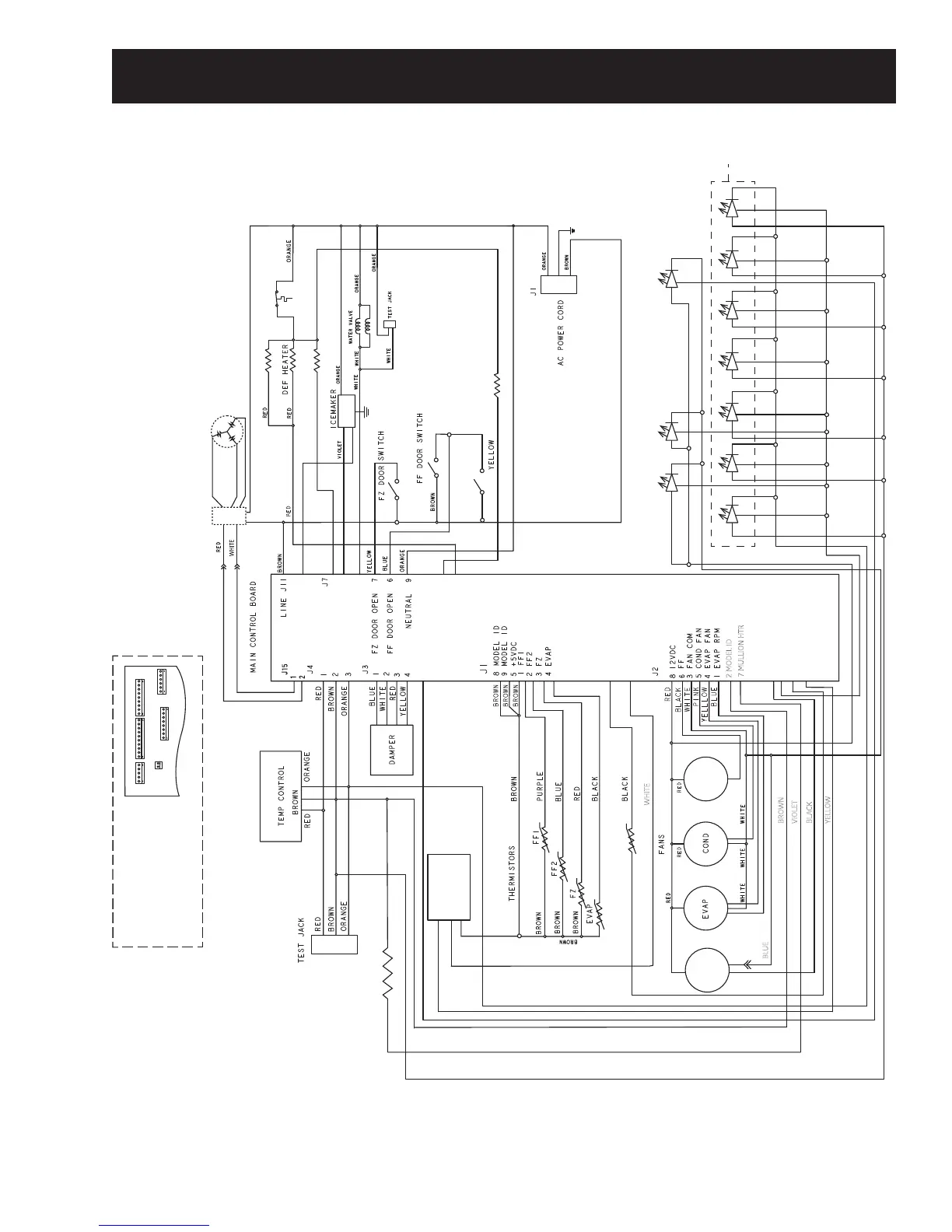
GE Monogram ZIPP360NHSS - Schematic Diagram

GE Monogram ZIPP360NHSS
53 pages
Print Icon
To Next Page IconTo Next Page
To Next Page IconTo Next Page
To Previous Page IconTo Previous Page
To Previous Page IconTo Previous Page
Loading...
– 51 –
BLUE
BLUE
J4 OR J16 J3 OR J10
J2 OR J13
J1 OR J14
415
415
INVERTER + (12 VDC)
FILL TUBE HEATER
RETURN DUCT HEATER
EVAP TCO
1.323K
0.472K
J18IM INPUT
SUPPLY DUCT HEATER J8
SUPPLY DUCT HEATER
RET. DUCT AND DEF. HTR J9
FILL TUBER HTR 2
ICEMAKER 1
PURPLE
5 FZ LED EN
DELI PAN LED FZ LED
FF LEDs
WATER VALVE OUTPUT 3
RED & WHITE
INVERTER -
GEA BUS
13.6 VDC
GND
SOME OF THE LOW VOLTAGE
DC CONNECTOR LABELING ON
THIS MODEL MAY DEFFER FROM
OTHER MODELS. THE
FUNCTION AND DIAGNOSTICS
FOR THESE CONNECTORS ARE
IDENTICAL FOR ALL MODELS.
HUMIDITY
SENSOR
MULLION HEATER
2 MODEL ID
BLUE
7 MULLION HTR
J5
1 PAN FAN
3 FF/DELI PAN LED EN
5 +5 VDC
6 HUMIDITY (+5 VDC)
J 14
1 AMBIENT
4 COMMON
WHITE
BROWN
VIOLET
BLACK
YELLOW
DRAIN
PAN
FF
LEFT
RIGHT FF DOOR SWITCH
BROWN
PINK
PINK
INVERTER
COMPRESSOR



R=38
OPEN 140°F
CLOSE 110°F
..
5 
BLACK
RED
WHITE
WHITE
GREEN
AMBIENT
..
21.5
ISO VALVE
Schematic Diagram

Related product manuals