EasyManua.ls Logo

GE P642 - Page 559

GE P642
592 pages
Print Icon
To Next Page IconTo Next Page
To Next Page IconTo Next Page
To Previous Page IconTo Previous Page
To Previous Page IconTo Previous Page
Loading...
MiCOM P645 (PART)
H12
H14
H13
H16
H18
H17
H15
G1
G3
G2
G5
G7
G6
G4
G9
G11
G10
G12
G14
G13
G16
G18
G17
G15
G8
RELAY 12
RELAY 16
RELAY 13
RELAY 14
RELAY 15
RELAY 9
RELAY 11
RELAY 10
RELAY 6
RELAY 7
RELAY 8
J12
J13
H1
H3
H2
J14
H5
H7
H6
H9
H11
H10
H8
H4
J11
RELAY 2
RELAY 3
RELAY 5
RELAY 4
CONTACT
CONTACT
WATCHDOG
WATCHDOG
RELAY 1
10Px4001.
J1
J2
J18
J16
SCN
SEE DRAWING
COMMS
J17
NOTE 5
EIA485/
AC OR DC
AUX SUPPLY
x
KBUS
PORT
MiCOM P645 (PART)
P1
P2
S1
E13
E16
E15
C (5)
E12
E14
E11
E21
E20
E19
E22
B (5)
A (5)
C (4)
B (4)
T5
B
C
S1
P1 P2
S2
A
S2
P1
P2
S1
S2
P1
P2
S1
S2
E23
E25
E26
E27
E18
E17
E28
A (4)
C (3)
B (3)
A (3)
C27
C18
C17
C20
C19
C22
E24
C21
B (2)
C (2)
A (2)
B
PROTECTED TRANSFORMER
T4
C B A
T3
C B A
T2
BC A
C
A
P2
S2
T1
B
C24
C26
C25
C28
C23
C (1)
B (1)
A (1)
C
PHASE ROTATION
C
B
P1
S1
A
A
EARTH
CASE
F11
F13
F12
F16
F15
F14
F18
F17
COMMON
CONNECTION
OPTO 14
OPTO 15
OPTO 16
D4
D17
F1
D18
F2
F4
F3
F5
F7
F6
F8
F10
F9
OPTO 11
OPTO 13
OPTO 12
COMMON
OPTO 10
OPTO 9
CONNECTION
D5
D6
D8
D9
D7
D11
D13
D12
D14
D16
D15
D10
OPTO 6
OPTO 7
OPTO 8
OPTO 3
OPTO 5
OPTO 4
D2
D3
D1
OPTO 2
OPTO 1
POWER SUPPLY VERSION 24-48V (NOMINAL) D.C. ONLY
*
GROUNDED WYE
C15
Y (HV)
TV
S1
C16
C13
Y (LV)
C11
C14
Y (TV)
C12
S2
P1
NEUTRAL TAILS
P2
LV
NOTE 3
HV
P1S1
P2S2
S1 P1
S2 P2
T1
T2
T3
T4
TN2
TN3
TN1
R
METROSIL
ST
1
2
1
2
R
ST
TO R
ST
T5
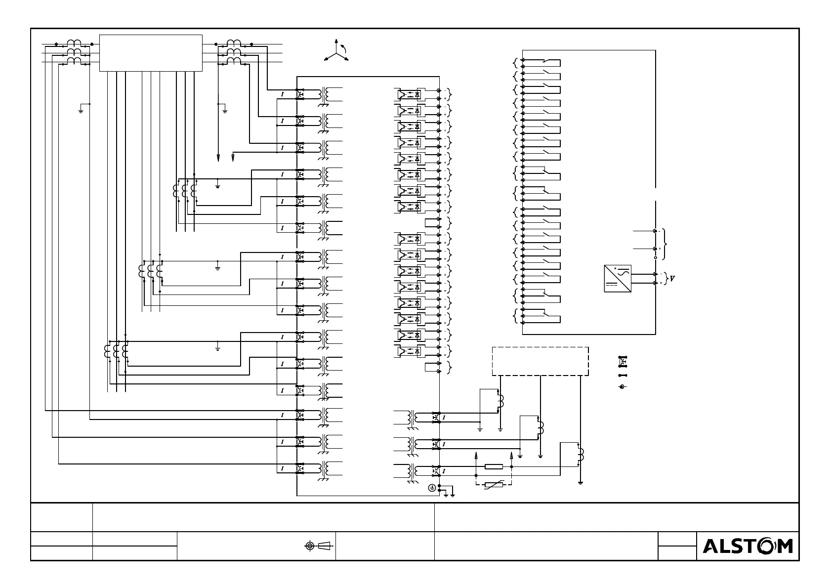
7. THE MONITORED THREE PHASE VOLTAGE MAY BE CONNECTED HV, TV OR LV SIDE.
8. DERIVED NEUTRAL POINT. SEE P64X/EN T/- - FOR DETAILS OF RESISTORS.
(USED BY V/Hz W1 PROTECTION AND OTHER VOLTAGE PROTECTION).
2. SEE TABLE 1 FOR BIAS ASSIGNMENT TO ACTUAL WINDINGS. T1
3. WYE GROUND INPUTS APPLICABLE FOR GROUNDED (EARTHED) WINDINGS.
4. THE VT MAY BE CONNECTED ACROSS ANY PHASE-PHASE PAIR.
PIN TERMINAL (P.C.B. TYPE)
C.T. SHORTING LINKS MAKE BEFORE (b) DISCONNECT.
IS ALWAYS AN HV WINDING CONNECTION.
5. FOR COMMS OPTIONS SEE DRAWING 10Px4001.
TERMINAL.
(USED BY V/Hz W2 PROTECTION ONLY).
6. THE VT STAR POINT MUST BE MADE EXTERNALLY AS SHOWN.
(b)
(c)
NOTES:
(a)1.
Drg
No:
Issue: Revision:
Date:
Date:
Name:
Chkd:
DO NOT SCALE
CAD DATA 1:1 DIMENSIONS: mm
Title:
Substation Automation Solutions
ALSTOM GRID UK LTD
(STAFFORD)
Sht:
Next
Sht:
14/07/2014 S.WOOTTON
CID SWOO-9LNAWE. TABLE 1 REMOVED. NOTES 5&6 REMOVED.
10P64501
3
-
EXT CONN DIAG:HIGH Z REF FOR 5 BIAS I/P TRANSFORMER DIFF.
SAME PRINCIPAL APPLIES TO WIRE HIGH Z REF FOR T2,T3,T4,T5
G

Table of Contents

Related product manuals