EasyManua.ls Logo

GE P642 - Page 570

GE P642
592 pages
Print Icon
To Next Page IconTo Next Page
To Next Page IconTo Next Page
To Previous Page IconTo Previous Page
To Previous Page IconTo Previous Page
Loading...
S1
P1 P2
S2 S2
P2 P1
S1
B
C
A
PHASE ROTATION
C B
A
A (1)
C24
C23
C25
C26
B (1)
C27
C28
C (1)
C (2)
C22
C21
C17
B (2)
A (2)
C19
C20
C18
S2
S1
S1
S2
E28
C (3)
B (3)
E27
E26
E25
A (3)
E24
E23
C B A BC A BC A
PROTECTED TRANSFORMER
C
B
A
C
B
A
S2
S1
E20
C (4)
E22
E21
B (4)
A (4)
E18
E19
E17
C (5)
B (5)
A (5)
E16
E15
E14
E13
E12
E11
T2T3T4
T1T5
NOTE 2
SEE SHEET 2 FOR NOTES
P1
P2
P1
P2
P1
P2
MiCOM P645 (PART)
OPTO 16
COMMON
CONNECTION
F17
F18
F16
D9
OPTO 5
OPTO 6
COMMON
CONNECTION
OPTO 7
OPTO 8
OPTO 10
OPTO 11
OPTO 9
OPTO 14
OPTO 13
OPTO 15
OPTO 12
F3
F14
F15
F13
F11
F12
F10
F8
F9
F7
F5
F6
F4
D15
D16
D17
D18
F2
F1
D11
D13
D12
D14
D10
OPTO 2
OPTO 3
OPTO 1
OPTO 4
D3
D6
D8
D7
D5
D4
D2
D1
G17
RELAY 16
G18
H6
RELAY 3
G2
RELAY 10
RELAY 11
RELAY 12
RELAY 14
RELAY 15
RELAY 13
G10
G11
G12
G14
G16
G15
G13
G6
G8
G9
G7
G4
G5
G3
RELAY 4
RELAY 5
RELAY 6
RELAY 8
RELAY 9
RELAY 7
H13
H14
H16
H15
H18
H17
G1
H11
H10
H12
H8
H9
H7
J17
NOTE 7
COMMS
J16
SCN
J2
J1
J18
SEE DRAWING
10Px4001
PORT
AC OR DC
AUX SUPPLY
x
KBUS
EIA485/
MiCOM P645 (PART)
WATCHDOG
CONTACT
RELAY 1
WATCHDOG
RELAY 2
CONTACT
H2
H4
H5
H3
H1
J13
J14
J11
J12
POWER SUPPLY VERSION 24-48V (NOMINAL) D.C. ONLY
*
RELAY 17
RELAY 19
RELAY 18
RELAY 20
HIGH BREAK
CONTACTS
B16
B15
B12
B11
B8
B7
B4
B3
EARTH
CASE
T1
T2
T3
T4
T5
Drg
No:
Issue: Revision:
Date:
Date:
Name:
Chkd:
DO NOT SCALE
CAD DATA 1:1 DIMENSIONS: mm
Title:
Substation Automation Solutions
ALSTOM GRID UK LTD
(STAFFORD)
Sht:
Next
Sht:
10/12/2013 H.ONG
CID HONG-9CRNL3
10P64507
1
2
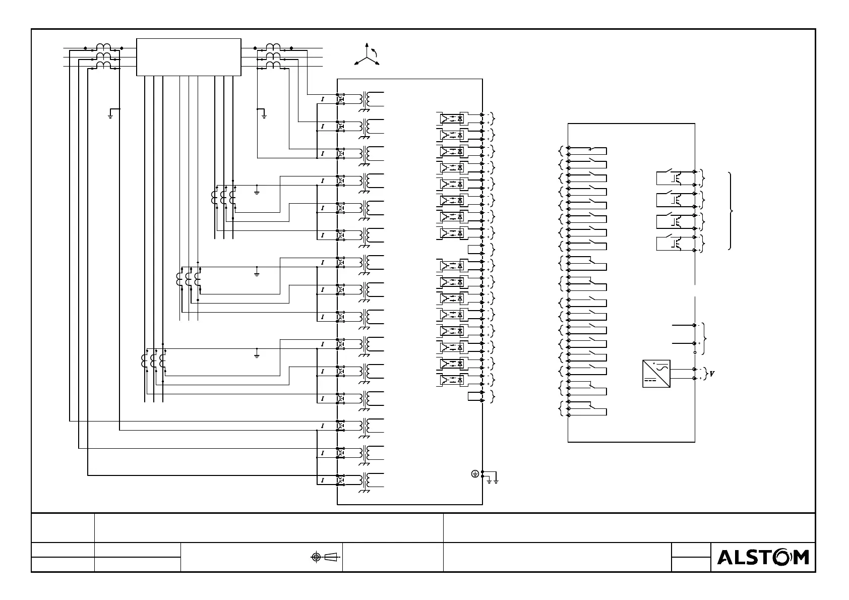
EXTERNAL CONNECTION DIAGRAM: 5 BIAS INPUT TRANSFORMER
DIFFERENTIAL (24 I/P 20 O/P) WITH 4 POLE VT INPUTS (60TE)
E

Table of Contents

Related product manuals