EasyManua.ls Logo

GE P642 - Page 576

GE P642
592 pages
Print Icon
To Next Page IconTo Next Page
To Next Page IconTo Next Page
To Previous Page IconTo Previous Page
To Previous Page IconTo Previous Page
Loading...
S1
P1 P2
S2 S2
P2 P1
S1
E16
G11
OPTO 14
OPTO 15
OPTO 16
COMMON
CONNECTION
G17
G18
G14
G16
G15
G13
G12
COMMON
OPTO 10
OPTO 9
OPTO 11
OPTO 13
OPTO 12
CONNECTION
G9
G10
G8
G6
G7
G5
G3
G4
G2
E18
G1
E17
E4
OPTO 2
OPTO 3
OPTO 5
OPTO 4
OPTO 6
OPTO 7
OPTO 8
E10
E13
E15
E14
E12
E11
E7
E9
E8
E5
E6
OPTO 1
E2
E3
E1
B
C
A
PHASE ROTATION
C B
A
A (1)
D24
D23
D25
D26
B (1)
D27
D28
C (1)
C (2)
D22
D21
D17
B (2)
A (2)
D19
D20
D18
S2
S1
S1
S2
F28
C (3)
B (3)
F27
F26
F25
A (3)
F24
F23
C B A BC A BC A
PROTECTED TRANSFORMER
C
B
A
C
B
A
S2
S1
F20
C (4)
F22
F21
B (4)
A (4)
F18
F19
F17
C (5)
B (5)
A (5)
F16
F15
F14
F13
F12
F11
T2T3T4
T1T5
NOTE 2
MiCOM P645 (PART)
CONNECTION
OPTO 24
COMMON
OPTO 23
OPTO 21
OPTO 22
OPTO 20
OPTO 19
OPTO 18
OPTO 17
H16
H17
H18
H13
H15
H14
H10
H12
H11
H7
H9
H8
H4
H6
H5
H1
H2
H3
RELAY 18
J4
J5
J7
J6
J9
J11
J10
J8
J13
J14
J16
J18
J17
J15
J12
EARTH
CASE
RELAY 22
RELAY 23
RELAY 24
RELAY 19
RELAY 21
RELAY 20
L12
L14
L13
L16
L18
L17
L15
K1
K3
K2
K5
K7
K6
K4
K9
K11
K10
K12
K14
K13
K16
K18
K17
J2
J1
J3
K15
K8
RELAY 12
RELAY 16
RELAY 17
RELAY 13
RELAY 14
RELAY 15
RELAY 9
RELAY 11
RELAY 10
RELAY 6
RELAY 7
RELAY 8
M12
M13
L1
L3
L2
M14
L5
L7
L6
L9
L11
L10
L8
L4
M11
RELAY 2
RELAY 3
RELAY 5
RELAY 4
CONTACT
CONTACT
WATCHDOG
WATCHDOG
RELAY 1
10Px4001
M1
M2
M18
M16
SCN
SEE DRAWING
COMMS
M17
NOTE 7
EIA485/
AC OR DC
AUX SUPPLY
x
KBUS
PORT
SEE SHEET 2 FOR NOTES
P1
P2
P1
P2
P1
P2
POWER SUPPLY VERSION 24-48V (NOMINAL) D.C. ONLY
*
MiCOM P645 (PART)
C16
B11
OPTO 38
OPTO 39
OPTO 40
COMMON
CONNECTION
B17
B18
B14
B16
B15
B13
B12
COMMON
OPTO 34
OPTO 33
OPTO 35
OPTO 37
OPTO 36
CONNECTION
B9
B10
B8
B6
B7
B5
B3
B4
B2
C18
B1
C17
C4
OPTO 26
OPTO 27
OPTO 29
OPTO 28
OPTO 30
OPTO 31
OPTO 32
C10
C13
C15
C14
C12
C11
C7
C9
C8
C5
C6
OPTO 25
C2
C3
C1
T1
T2
T3
T4
T5
Drg
No:
Issue: Revision:
Date:
Date:
Name:
Chkd:
DO NOT SCALE
CAD DATA 1:1 DIMENSIONS: mm
Title:
Substation Automation Solutions
ALSTOM GRID UK LTD
(STAFFORD)
Sht:
Next
Sht:
10/12/2013 H.ONG
CID HONG-9CRNL3
10P64514
1
2
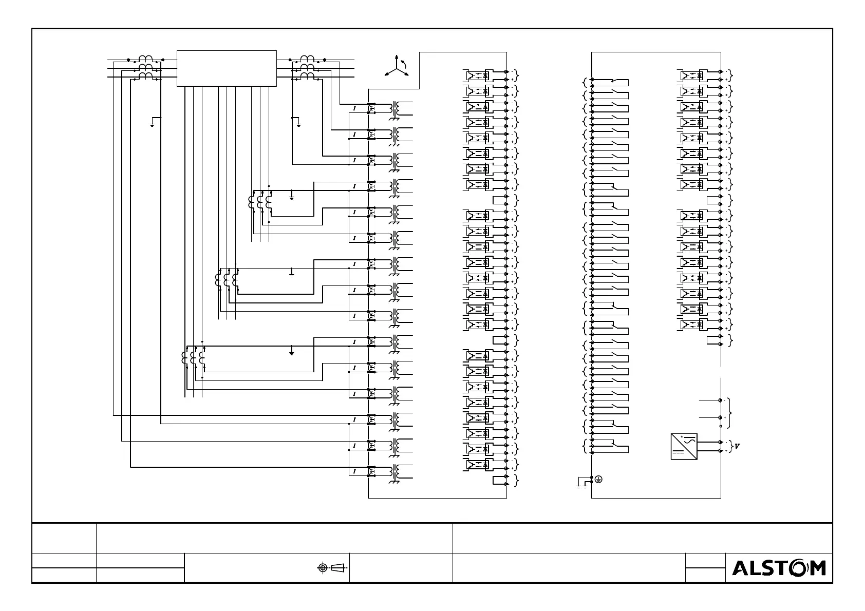
EXT. CONN. DIAG: 5 BIAS INPUT TRANSFORMER DIFFERENTIAL
(40 I/P & 24 O/P) WITH 4 POLE VT INPUTS (80TE)
C

Table of Contents

Related product manuals