EasyManua.ls Logo

GE prolec VR-1 - Page 13

GE prolec VR-1
44 pages
Print Icon
To Next Page IconTo Next Page
To Next Page IconTo Next Page
To Previous Page IconTo Previous Page
To Previous Page IconTo Previous Page
Loading...
GEH-7299A: Installation, Operation and Maintenance Manual
for Type VR1 Single-Phase, Step Type Regulators
prolec.energy/prolecge 13
Notes:
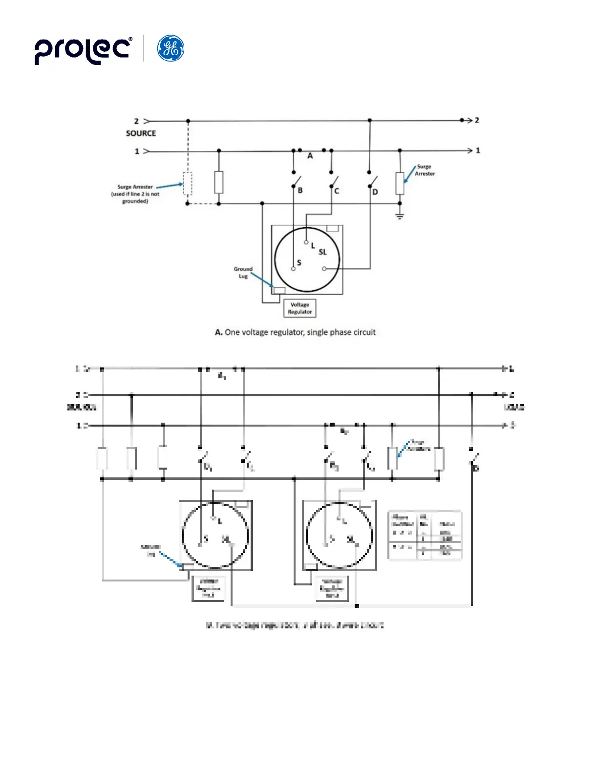
1. The control power and Internal-O-External, function (not shown) is located on the regulator control adapter panel. Refer to the control instruction book
for location of the switches detailed in the placing into service and removing from service procedures.
2. Bypass switch “A” and disconnect switches “B”’, “C”, and “D” must be suitable for interrupting magnetizing current.
Figure 6. Regulator Connections (6A & 6B)

Related product manuals