EasyManua.ls Logo

GE prolec VR-1 - Page 36

GE prolec VR-1
44 pages
Print Icon
To Next Page IconTo Next Page
To Next Page IconTo Next Page
To Previous Page IconTo Previous Page
To Previous Page IconTo Previous Page
Loading...
GEH-7299A: Installation, Operation and Maintenance Manual
for Type VR1 Single-Phase, Step Type Regulators
prolec.energy/prolecge
36
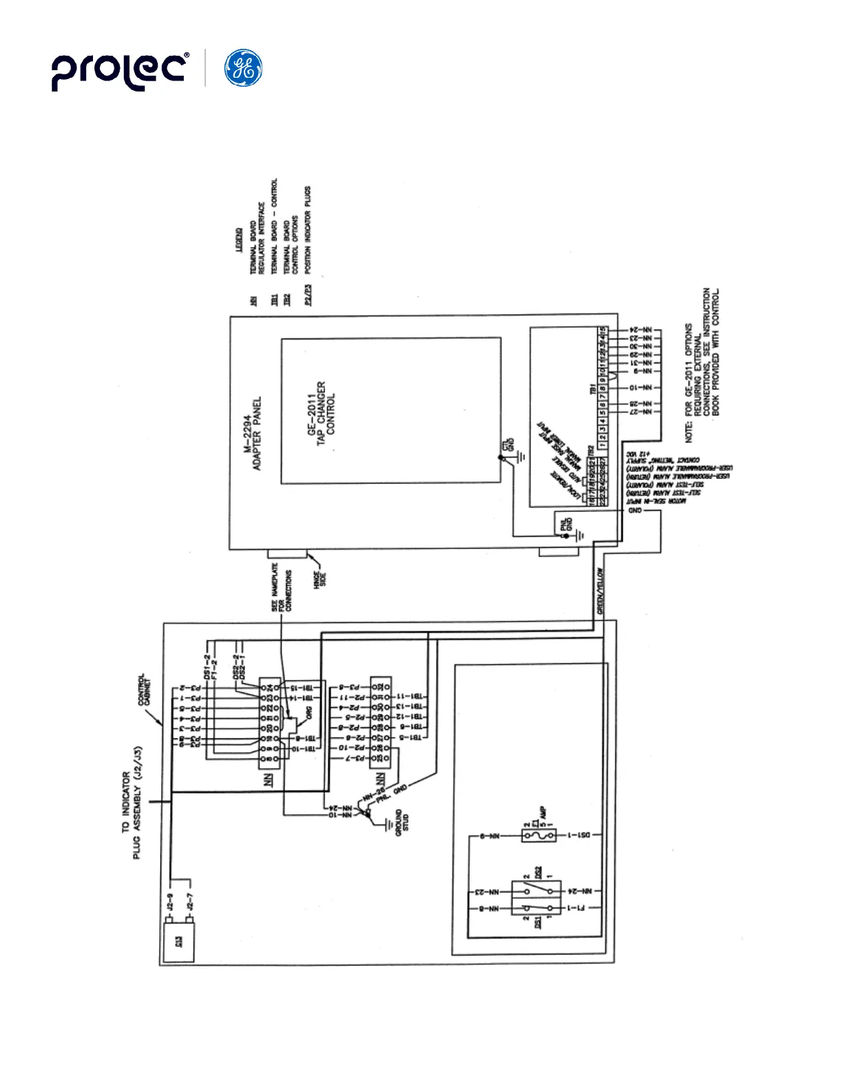
Figure 18. Diagram - Control Cabinet

Related product manuals