EasyManua.ls Logo

GE PS978ST1SS - PS978 ST1 SS Wiring Diagram; PS978 ST1 SS Schematic Diagram

GE PS978ST1SS
86 pages
Print Icon
To Next Page IconTo Next Page
To Next Page IconTo Next Page
To Previous Page IconTo Previous Page
To Previous Page IconTo Previous Page
Loading...
– 84 –
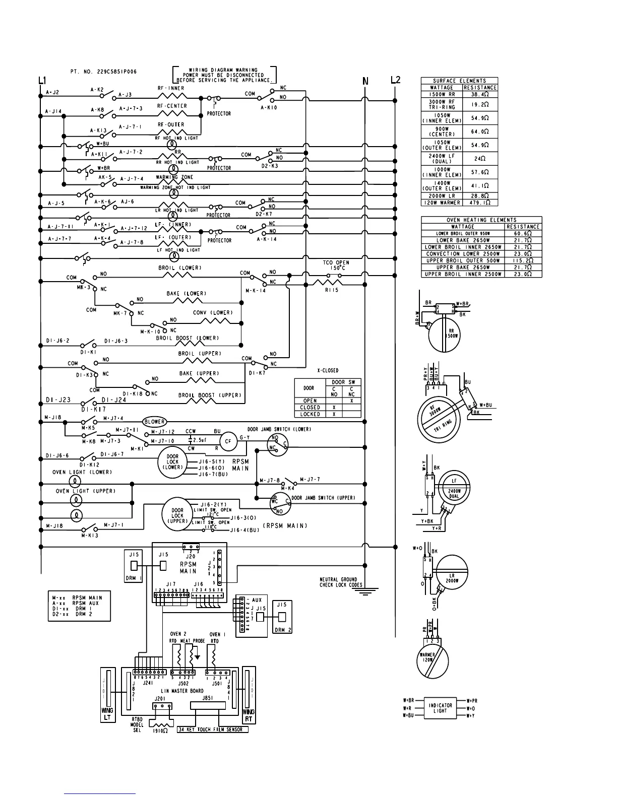
Schematic - PS978ST1SS
(Continued next page)

Other manuals for GE PS978ST1SS

Related product manuals