EasyManua.ls Logo

GE Voluson E8 Expert - RTF- Probe Connector Board

GE Voluson E8 Expert
432 pages
Print Icon
To Next Page IconTo Next Page
To Next Page IconTo Next Page
To Previous Page IconTo Previous Page
To Previous Page IconTo Previous Page
Loading...
GE HEALTHCAREDRAFT VOLUSON E8 / VOLUSON E6
D
IRECTION KTD102576, REVISION 7 DRAFT (AUGUST 23, 2012) SERVICE MANUAL
Chapter 5 - Components and Functions (Theory) 5-25
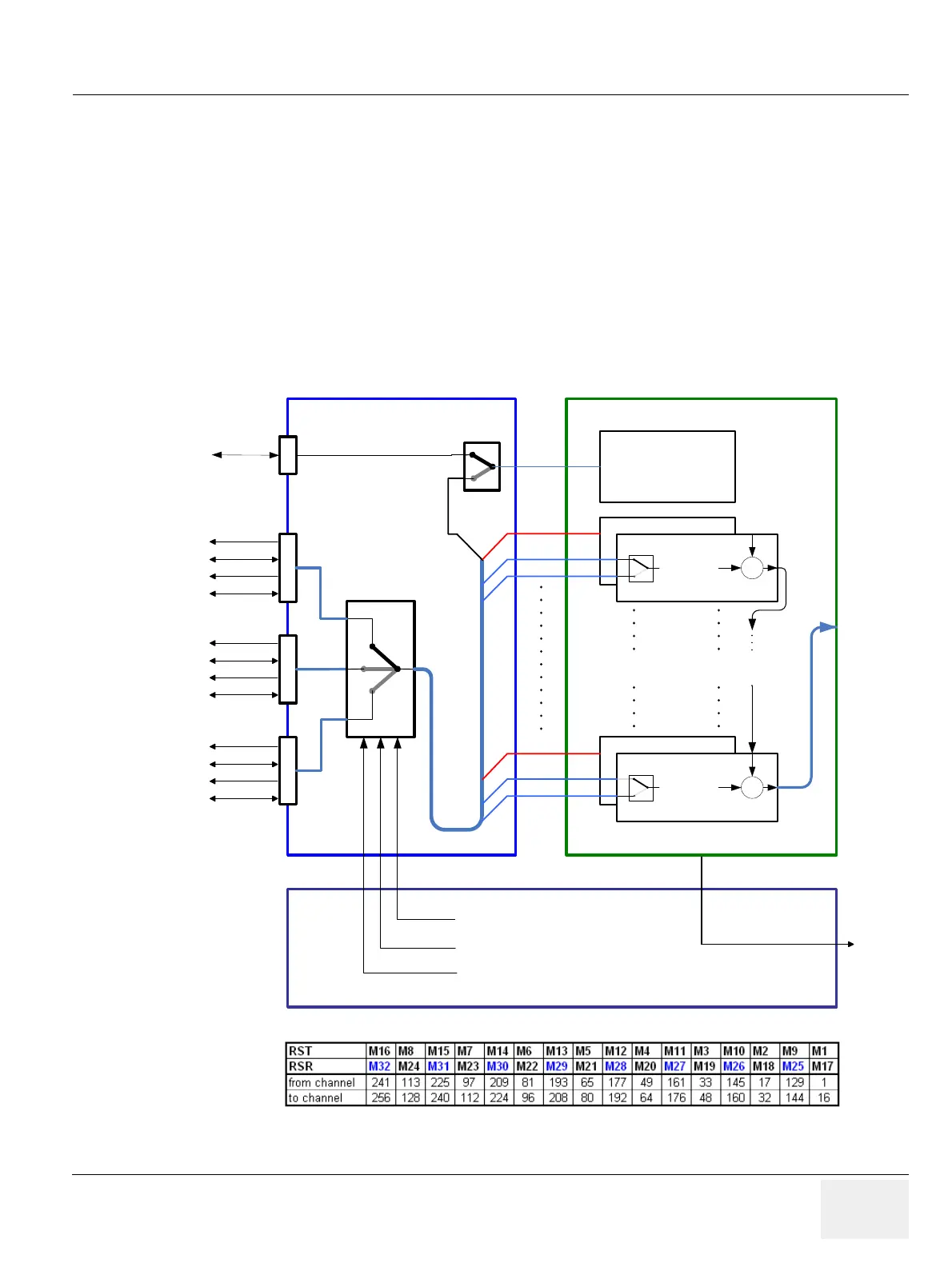
5-3-1 RTF- Probe Connector Board
Switches the Probe Connectors (3 DLP-Connectors, 1 CW-Connector) and recognizes Probes
1 CW-Probe Connector
3 Probe-Connectors 408pin
1 Dummy-Probe Connector 408pin
Probe Select Relays
Probe Recognition
For Block diagrams refer to:
- Figure 5-6: Voluson E8: RTF + Beamformer (RTM) on page 5-25
- Figure 5-7: Voluson E6: RTF + Beamformer (RTM) on page 5-26
Figure 5-6 Voluson E8: RTF + Beamformer (RTM)
RST Transmitter Subboard
RSR Receiver Subboard
+
RST Transmitter Subboard
RSR Receiver Subboard
+
RTF Probe Controlboard
Power
MOT - signals
CTRL - signals
Tx/Rx
Power
MOT - signals
CTRL - signals
Tx/Rx
Power
MOT - signals
CTRL - signals
Tx/Rx
256 Tx/Rx Channels
SIN-COS, Mot-Strobes
CTRL-signals
PowerSupply
RTK Motherboard
EBF_D (18)
Probe 3 Probe 1Probe 2
RTM Beamformer Motherboard
RSW CW-Doppler Board
Rx /Tx
CW Probe
Not used
CH 1
CH 1
CH 256
CH 256
Not used
16 x RSR-Boards (16 channels) = 256 channels
16 x RST-Boards (16 channels) = 256 channels
32 Tx/Rx
Channels
CH 98 ... CH 128
1 channel

Table of Contents

Related product manuals