EasyManua.ls Logo

Gemsy GEM0311 - Page 41

Gemsy GEM0311
50 pages
Print Icon
To Next Page IconTo Next Page
To Next Page IconTo Next Page
To Previous Page IconTo Previous Page
To Previous Page IconTo Previous Page
Loading...
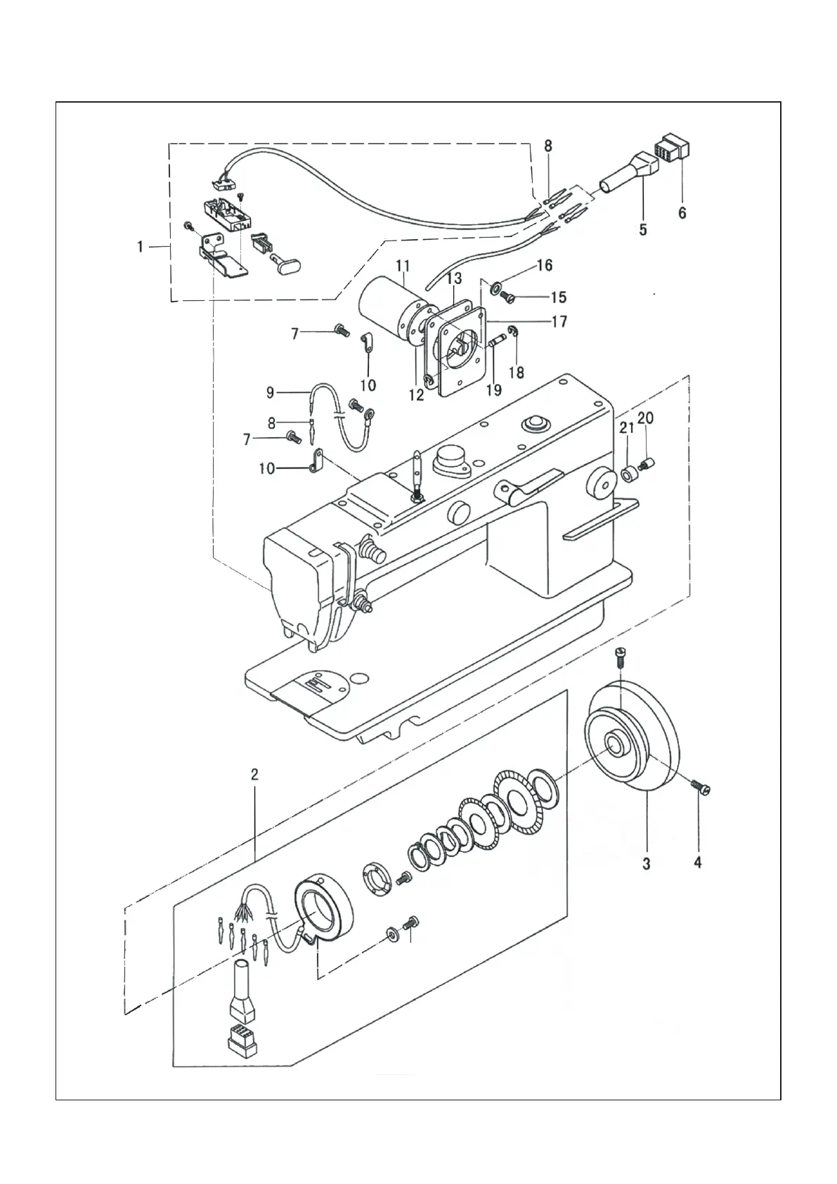
9. Automatic Reverse Feed Components For 0311-7D2-Y and 0611-7D2-Y
33
22

Related product manuals