EasyManua.ls Logo

Generac Mobile MLT6SMDS - AC Wiring-MLT6 SMDS with Power Zone (if Equipped)

Generac Mobile MLT6SMDS
64 pages
Print Icon
To Next Page IconTo Next Page
To Next Page IconTo Next Page
To Previous Page IconTo Previous Page
To Previous Page IconTo Previous Page
Loading...
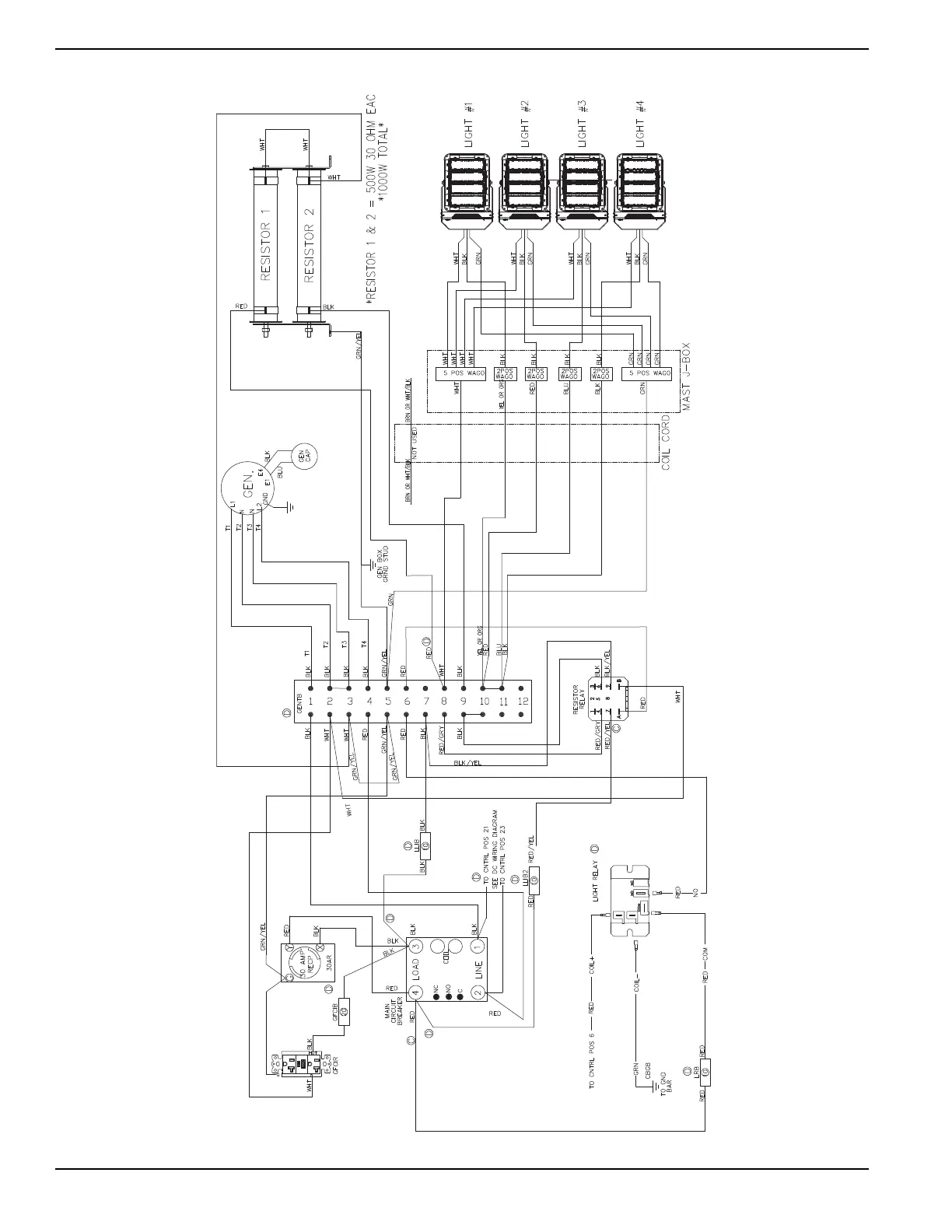
46 Owner’s Manual for Mobile Light Tower
Wiring Diagrams
AC Wiring—MLT6SMDS With Power Zone (If Equipped)
10000037756_D_02.01.19

Table of Contents

Related product manuals