EasyManua.ls Logo

Generac Mobile MLT6SMDS - AC Wiring-MLT6 SKDS with Power Zone (if Equipped)

Generac Mobile MLT6SMDS
64 pages
Print Icon
To Next Page IconTo Next Page
To Next Page IconTo Next Page
To Previous Page IconTo Previous Page
To Previous Page IconTo Previous Page
Loading...
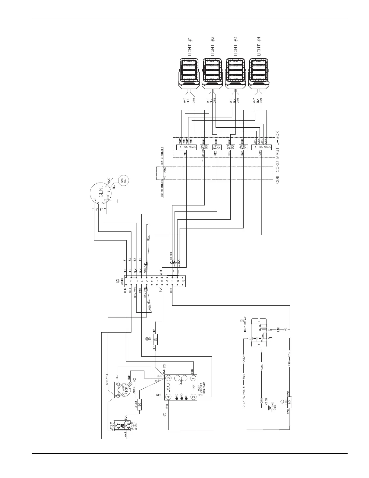
Owner’s Manual for Mobile Light Tower 47
Wiring Diagrams
AC Wiring—MLT6SKDS With Power Zone (If Equipped)
10000037767_C_02.01.19

Table of Contents

Related product manuals