EasyManua.ls Logo

Generac Power Systems 7kW - Page 54

Generac Power Systems 7kW
68 pages
Print Icon
To Next Page IconTo Next Page
To Next Page IconTo Next Page
To Previous Page IconTo Previous Page
To Previous Page IconTo Previous Page
Loading...
52
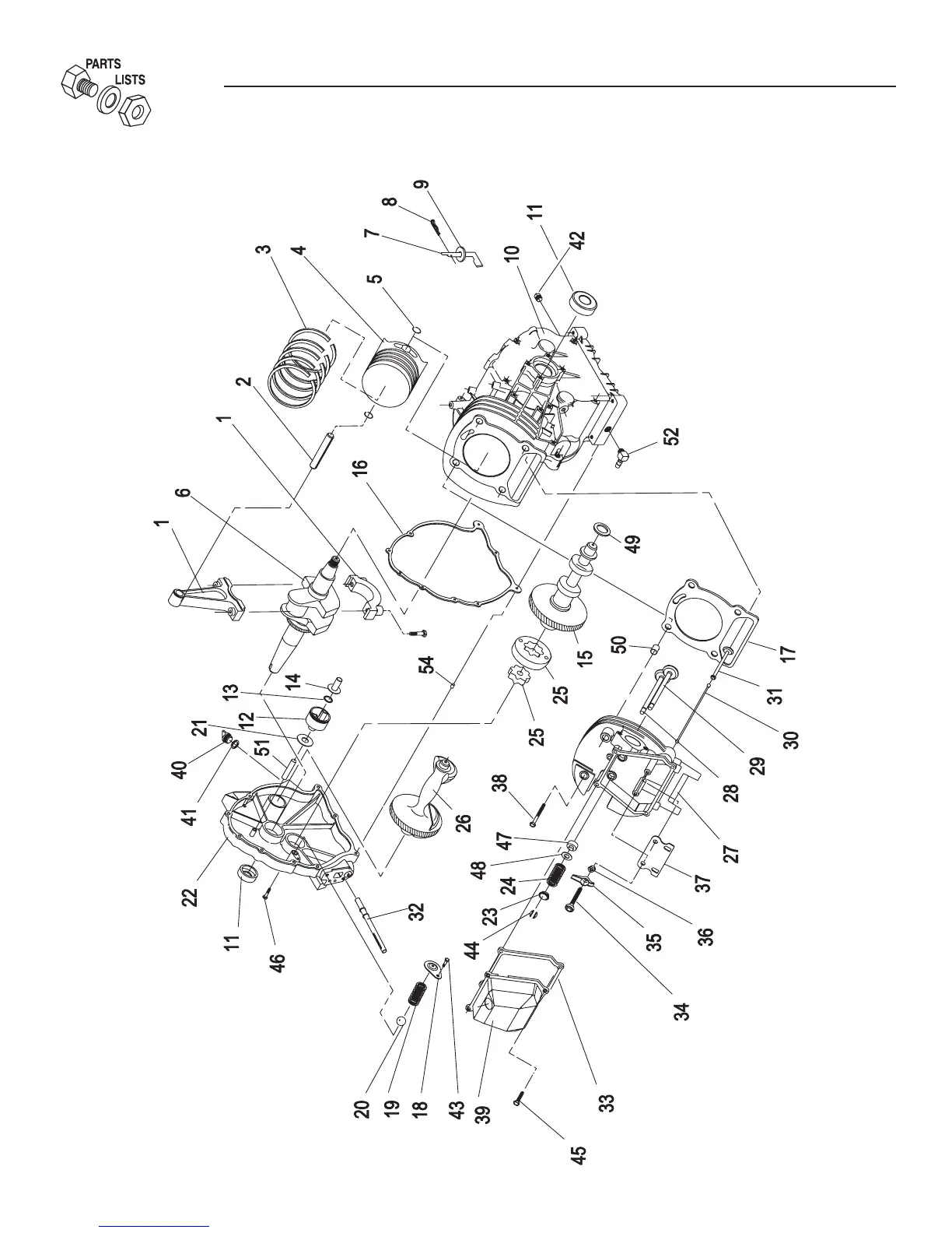
Section 7 — Exploded Views and Parts Lists
Air-cooled Generators
7kW, GN-410 Engine – Drawing No. 0F9428-D - Part 1

Table of Contents

Related product manuals