EasyManua.ls Logo

Generac Power Systems MAGNUM MLT6SKDS - DC Wiring Diagram-MLT6 SMDS Non Power Zone;Key Equipped

Generac Power Systems MAGNUM MLT6SKDS
68 pages
Print Icon
To Next Page IconTo Next Page
To Next Page IconTo Next Page
To Previous Page IconTo Previous Page
To Previous Page IconTo Previous Page
Loading...
Wiring Diagrams
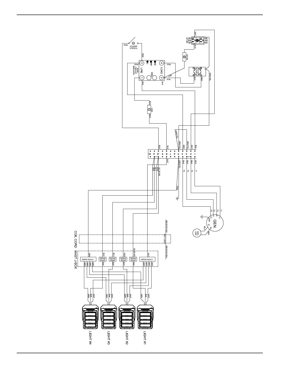
46 Owner’s Manual for MLT6SMDS - MLT6SKDS Light Tower
AC Diagram MLT6SKDS - Non Power Zone/Key Equipped

Table of Contents

Related product manuals