EasyManua.ls Logo

Generac Power Systems RS7000E - Page 62

Generac Power Systems RS7000E
114 pages
To Next Page IconTo Next Page
To Next Page IconTo Next Page
To Previous Page IconTo Previous Page
To Previous Page IconTo Previous Page
Loading...
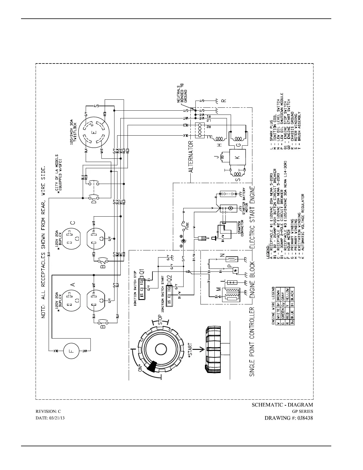
Section 7 Electrical Data
56 Diagnostic Repair Manual
Wiring Diagram and Electrical Schematic, RS7000E Drawing No. 0K6394-C

Table of Contents

Related product manuals