EasyManua.ls Logo

General AUG18UBAB AOG18UNCNL - Circuit Diagram for AUG18 FBAB

General AUG18UBAB AOG18UNCNL
23 pages
Print Icon
To Next Page IconTo Next Page
To Next Page IconTo Next Page
To Previous Page IconTo Previous Page
To Previous Page IconTo Previous Page
Loading...
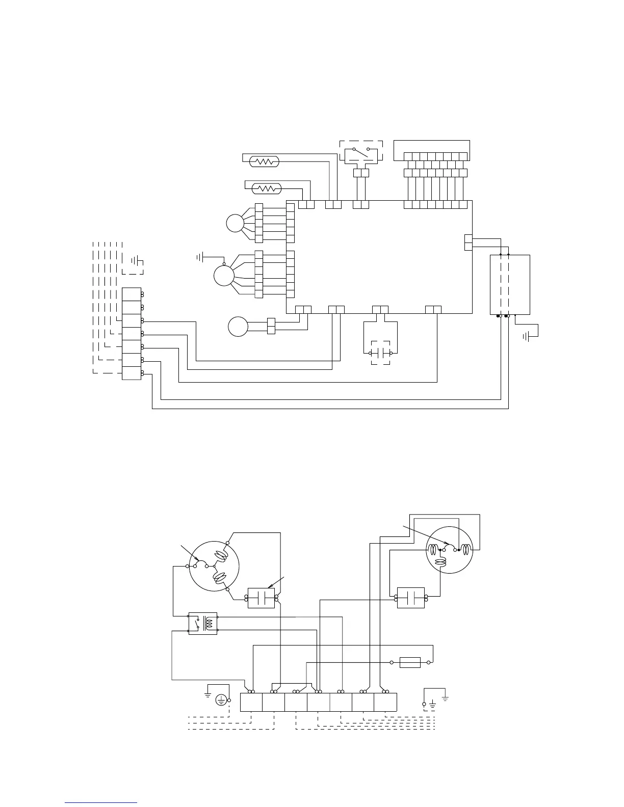
Model : AUG18FBAB
CIRCUIT DIAGRAM
Models : AOG18FNCKL, AOG18FNCNL
L N 3 4 5
54
61
S
R
C
1(L) 2(N)
THERMISTOR(ROOM TEMP)
COMPRESSOR
FAN MOTOR
MAIN RELAY
TO POWER SUPPLY
TO INDOOR UNIT
COMPRESSOR
CAPACITOR
FAN MOTOR
CAPACITOR
FUSE 5A
INTERNAL
OVERLOAD
PROTECTOR
THERMAL
PROTECTOR
DISPLAY BOARD
CONTROL BOARD
FILTER
BOARD
THERMISTOR(PIPE TEMP)
TERMINAL
STEPPING
MOTOR
M
M
FM
FLOAT
SWITCH
Use T3.15A
-
250V
Fuse on F101
FAN
MOTOR
DRAIN PUMP
MOTOR
FAN MOTOR
CAPACITOR
TO OUTDOOR UNIT
WHITE
WHITE
WHITE
WHITE
WHITE
WHITE
WHITE
BLUE
RED
WHITE
WHITE
RED
BROWN
BROWN
BLACK
BLACK
BLACK
BLACK
BLACK
YELLOW
GREEN / YELLOW
YELLOW
YELLOW
ORANGE
RED
BLACK
BLACK
WHITE
BLACK
BLACK
GRAY
GRAY
BLACK
BLACK
BLACK
GRAY
PURPLE
BLUE
WHITE
WHITE
WHITE
YELLOW
ORANGE
RED
BROWN
BLACK
BLACK
BLACK
PURPLE
RED
BROWN
GRAY
GREEN
BLUE
8
7
6
5
4
3
2
1
8
7
6
5
4
3
2
1
8
7
6
5
4
3
2
2
1
1
L
N
2
1
2
1
1 1
1
1
1
1
1
CN5
CN6 CN2 CN4 CN19
CN13CN15CN8CN7
CN10
CN1
CN201
2 2
1
5 4 3
2
(N)
1
(L)
2
2
2
2
3
3
3 34 4
5 3
5
12345
5 6
6 4
3
1
3
1
52006.03.23

Related product manuals