EasyManua.ls Logo

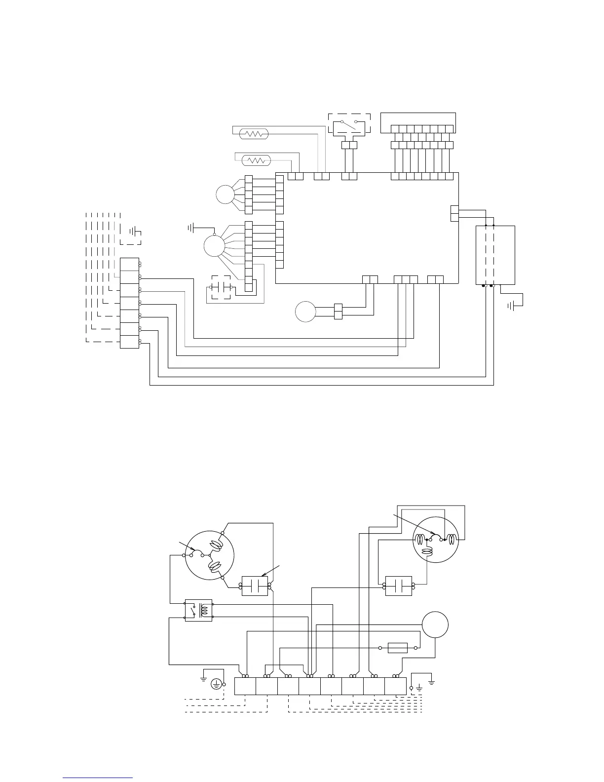
General AUG18UBAB AOG18UNCNL - Circuit Diagram for AUG18 UBAB

General AUG18UBAB AOG18UNCNL
23 pages
Print Icon
To Next Page IconTo Next Page
To Next Page IconTo Next Page
To Previous Page IconTo Previous Page
To Previous Page IconTo Previous Page
Loading...
Models : AOG18UNCKL, AOG18UNCNL
Model : AUG18UBAB
3 4 5 6
S
R
C
L N 1(L) 2(N)
COMPRESSOR
FAN MOTOR
54
61
MAIN RELAY
TO POWER SUPPLY
TO INDOOR UNIT
COMPRESSOR
CAPACITOR
FAN MOTOR
CAPACITOR
FOUR WAY
VALVE COIL
SV
FUSE 5A
INTERNAL
OVERLOAD
PROTECTOR
THERMAL
PROTECTOR
DISPLAY BOARD
CONTROL BOARD
FILTER
BOARD
THERMISTOR(ROOM TEMP)
THERMISTOR(PIPE TEMP)
TERMINAL
M
M
FM
FLOAT
SWITCH
Use T3.15A
-
250V
Fuse on F101
STEPPING
MOTOR
FAN
MOTOR
DRAIN PUMP
MOTOR
FAN MOTOR
CAPACITOR
TO OUTDOOR UNIT
WHITE
WHITE
WHITE
BLUE
RED
WHITE
WHITE
RED
BROWN
BROWN
BLACK
BLACK
BLACK
BLACK
BLACK
BLACK
BLACK
GREEN / YELLOW
BLACK
GRAY
GRAY
BLACK
BLACK
BLACK
BLACK
GRAY
PURPLE
BLUE
WHITE
YELLOW
YELLOW
ORANGE
RED
BROWN
YELLOW
YELLOW
BLACK
BLACK
GRAY
WHITE
BLACK
WHITE
BLACK
GREEN
WHITE
WHITE
YELLOW
ORANGE
RED
RED
PURPLE
PINK
RED
BROWN
BROWN
BLUE
BLUE
8
7
6
5
4
3
2
1
8
7
6
5
4
3
2
1
8
7
6
5
4
3
2
1
2 1
L
N
2
1
2
1
CN5
CN6 CN2 CN19
CN13
CN15CN8CN7
CN10
CN1
CN201
56 4 3
2
(N)
1
(L)
1
2
1
2
1
2
1
3
3
12345
12345 1 2 3 4 5 6
1 2 5 3 6 4 7 8 9
3
1
3
1
62006.03.23

Related product manuals