EasyManua.ls Logo

Genius SP-S110 - Chapter 3 Block Diagram

Genius SP-S110
19 pages
Print Icon
To Next Page IconTo Next Page
To Next Page IconTo Next Page
To Previous Page IconTo Previous Page
To Previous Page IconTo Previous Page
Loading...
Service Guide SP-S110
Version 1.0 Page 14 of 19
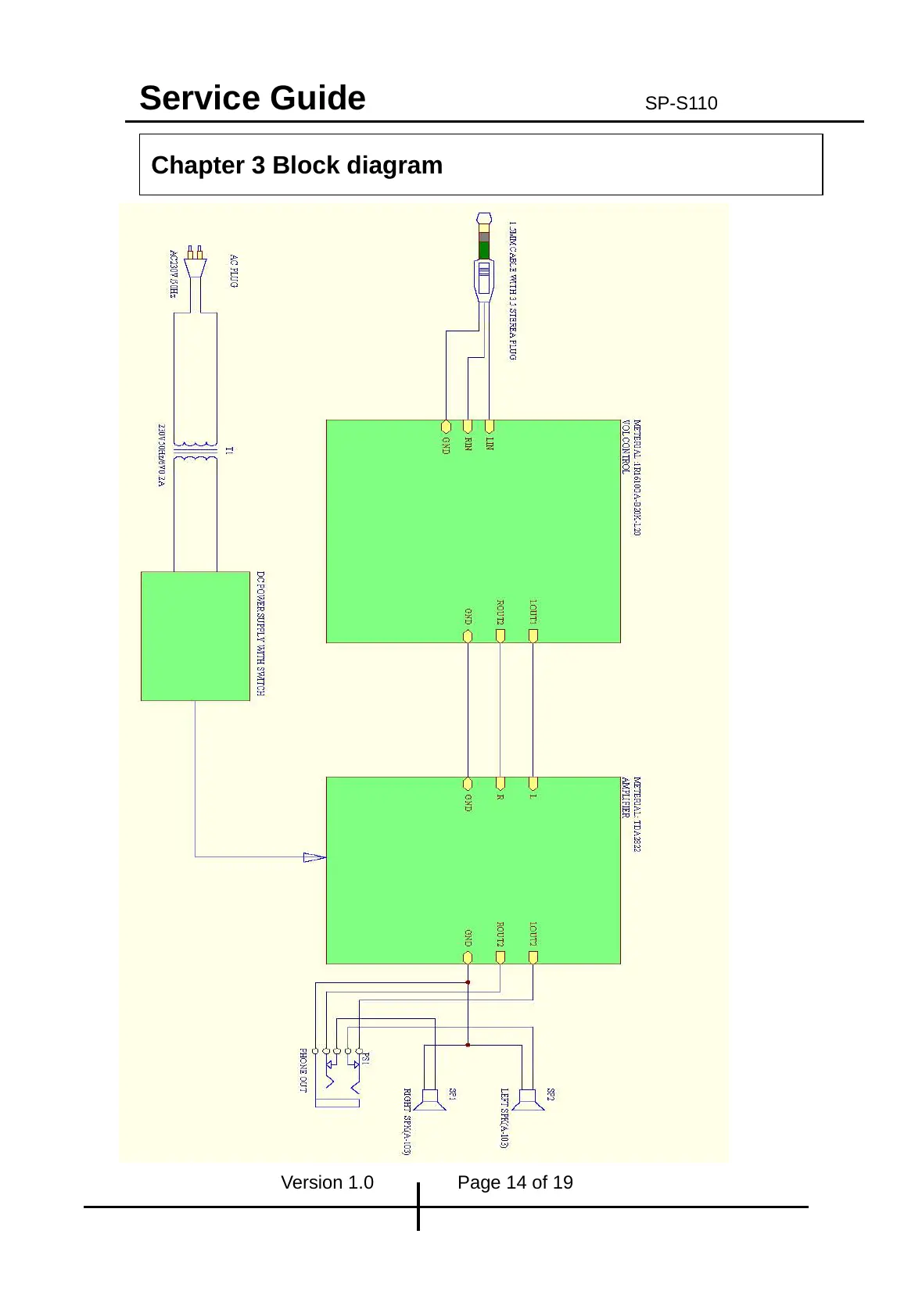
Chapter 3 Block diagram
All manuals and user guides at all-guides.com

Related product manuals