EasyManua.ls Logo

Gerhardt Vap 30 - 3 Delivery; Check for Transport Damage; Parts List

Default Icon
32 pages
Print Icon
To Next Page IconTo Next Page
To Next Page IconTo Next Page
To Previous Page IconTo Previous Page
To Previous Page IconTo Previous Page
Loading...
C. Gerhardt GmbH & Co. KG
9
&
$
"
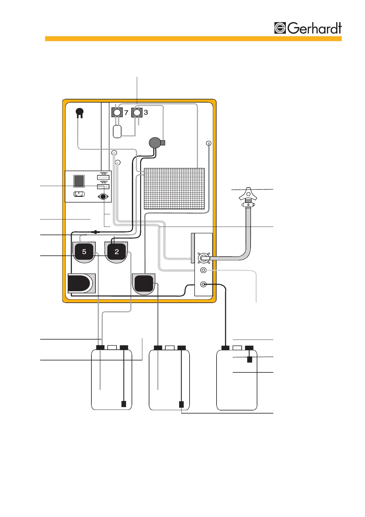
L e v e l - d e t e c t o r
H 2 O
d i s t i l l e d
N a O H S a m p l e
w a s t e
P o w e r
11
Fig.2.2: Rear view Vapodest 30
DESCRIPTION OF THE SYSTEM
4
5
6
2
3
1
7
8
9
10
13
12

Related product manuals