EasyManua.ls Logo

gerkros KST - Chart of ATTACK KST wiring

Default Icon
36 pages
Print Icon
To Next Page IconTo Next Page
To Next Page IconTo Next Page
To Previous Page IconTo Previous Page
To Previous Page IconTo Previous Page
Loading...
30
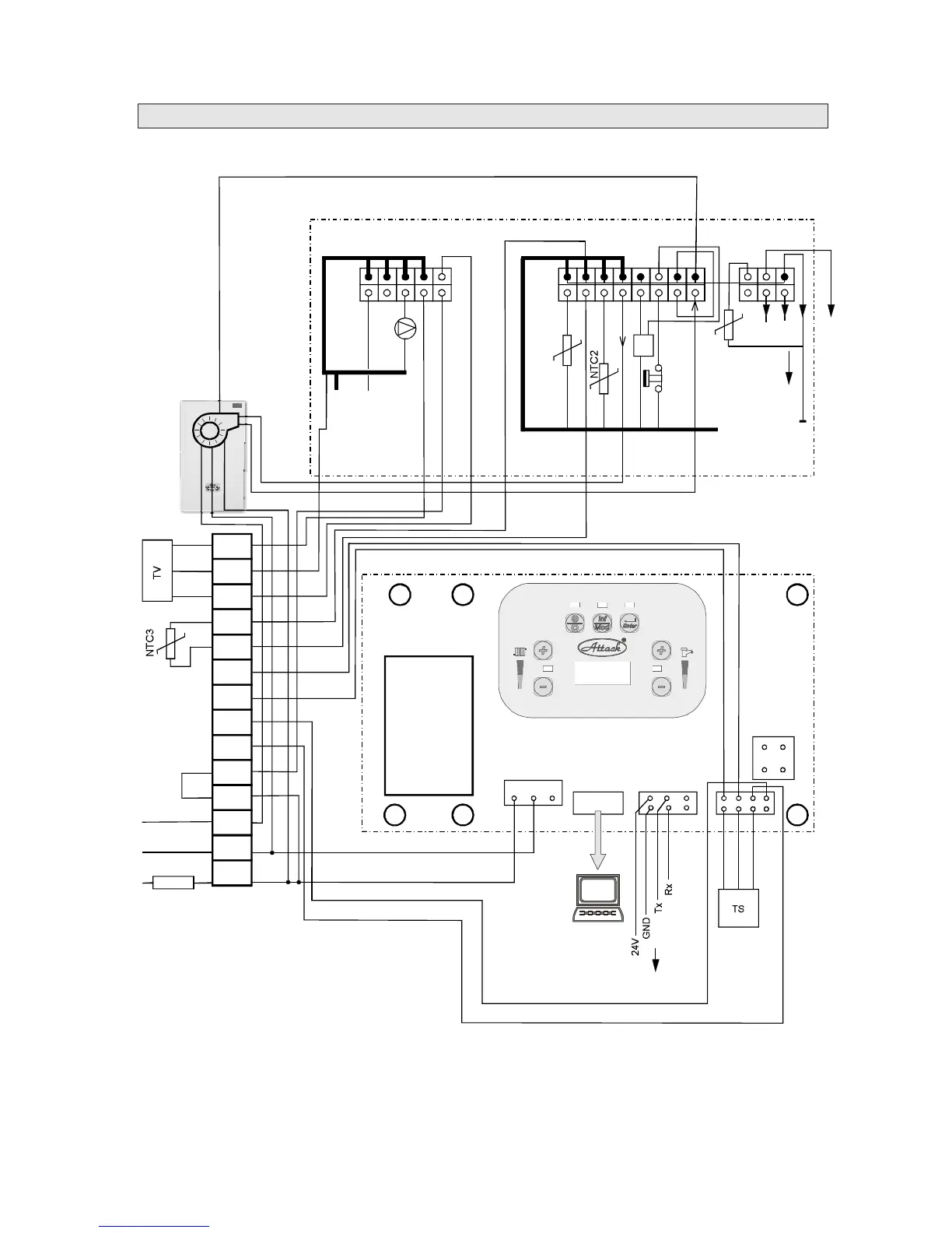
ChartofATTACKKSTwiring
X1X12X11
N L
GND
X4
MMI
Rx
HL
1
4
3
6
1
9
8
16
1
6
5
10
P
CVBC
MMIDISPLAY
GND
PWM
TACHO
X1
X5X4
X2
X3
N
FS
24V
Trafo
L
X11
CVBC
T2
T1
PE
N
L
S4
S3
OT2
OT1
S2
L
N
R
PE
N
L
L
N
PE
230V/50Hz
2A
THERMOSTAT
JUMPER
FAN
NTC1
GND
Tx
S1
PC
SP
GND
HL-emergencythermostat
FS-fluesensor
NTC1-Sensoroutletheatingwater
NTC2-Sensorreturnheatingwater
P-circulationpump
Fan
TS-pressuresensor
S1,S2-contactsofoutsidethermalsensor
OT1,OT2-contactsoftheOPENTHERMregulator
S3,S4-thermalsensorofhotwater
L,N,R-contactsofthree-wayvalveofhotwater230V
NTC3-sensoroftemperatureofhotwater
TV-driveofthethree-wayvalve
SP-sensorofhotwaterpassage

Related product manuals