EasyManua.ls Logo

GFL 2204 - Page 19

GFL 2204
Print Icon
To Next Page IconTo Next Page
To Next Page IconTo Next Page
To Previous Page IconTo Previous Page
To Previous Page IconTo Previous Page
Loading...
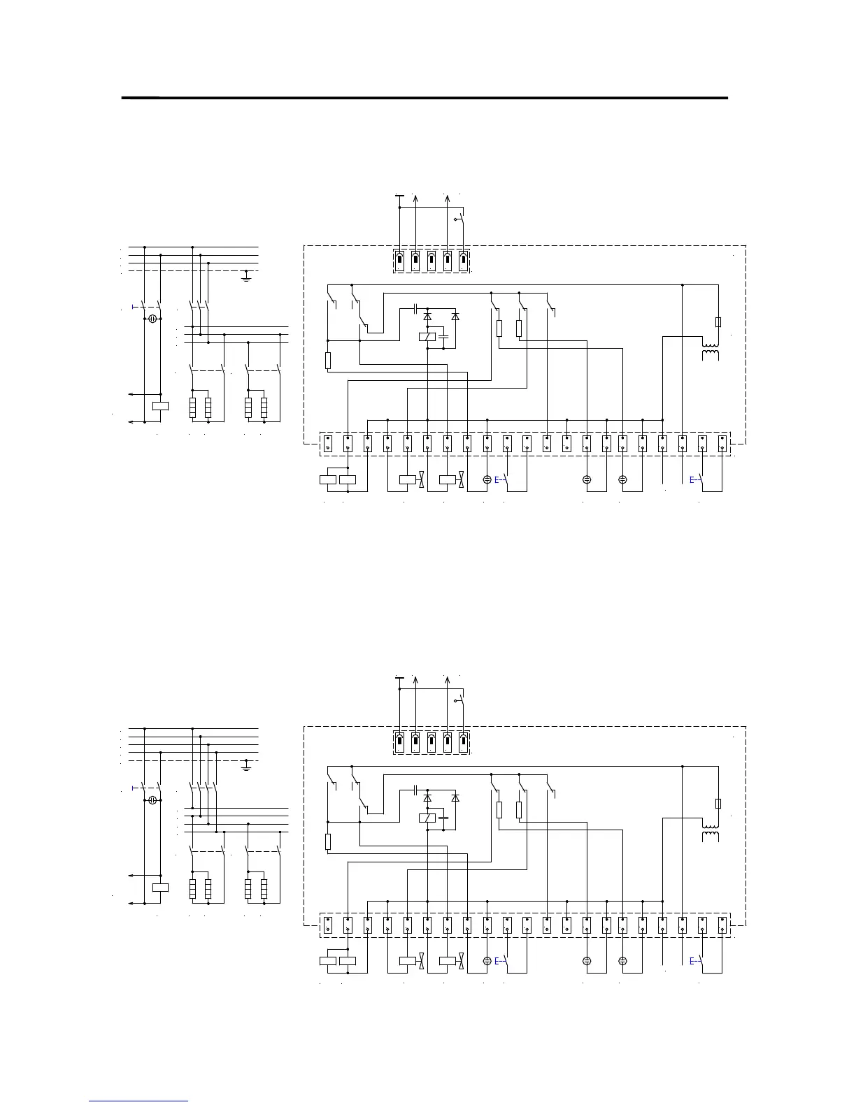
2202 2304 Wasserdestillierapparate aus Glas
Glass Water Stills
Seite 19 von 28 Rev.02
Destillierapparat 2208 in der Ausführung für eine Netzspannung 220V / 3 / PE 50....60Hz
Glass Water Still 2208 for a mains supply of 220V / 3 / PE 50....60Hz
Destillierapparat 2208 in der Ausführung für eine Netzspannung 400V / 3 / N / PE 50....60Hz
Glass Water Still 2208 for a mains supply of 400V / 3 / N / PE 50....60Hz
5
1
2 3
4
5 6 7 8 9
10 11
12
13
14 15
16
17
18 19 20
21
4321
X1
X2
F1 0,4AT
A1
B1 B2 B3 S5
230V
K2/2 Y1 Y2 H1 S2 H2 H3 S3
230V zu
X2 /18 /19
K1 E1 E2 E5 E6
K2/1
K2/2
K1S1
L1
L2
L3
PE
K2/1
L1
L2
L3
5
1
2 3
4
5 6 7 8
9
10 11
12
13
14 15
16
17 18 19 20
21
4321
X1
X2
F1 0,4AT
A1
B1 B2 B3 S5
230V
K2/2
Y1 Y2 H1 S2 H2 H3 S3
230V zu
X2 /18 /19
K1 E1 E2 E5 E6
K2/1
K2/2
K1S1
L1
L2
L3
N
PE
K2/1
L1
L2
L3
N