EasyManua.ls Logo

GFL 2204 - Page 21

GFL 2204
Print Icon
To Next Page IconTo Next Page
To Next Page IconTo Next Page
To Previous Page IconTo Previous Page
To Previous Page IconTo Previous Page
Loading...
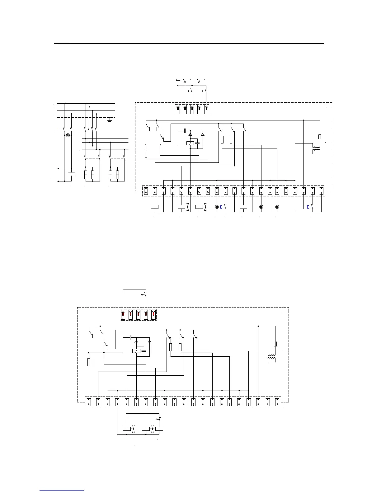
2202 2304 Wasserdestillierapparate aus Glas
Glass Water Stills
Seite 21 von 28 Rev.02
Typ 2304 in der Ausführung für eine Netzspannung 400V / 3 / N / PE 50....60Hz
Glass Double Distiller 2304 for a mains supply of 400V / 3 / N / PE 50....60Hz
Stromlaufplan der Zusatzeinrichtungen Niveauschalter und getrennte Wasserzufuhr
Circuit diagram for accessories level control switch and separate water supply
5
1
2 3
4
5 6 7 8
9
10 11
12
13
14 15
16
17 18 19 20
21
4321
X1
X2
F1 0,4AT
A1
B1 B2 B3S4 S5
230V
K2 Y1 Y2 H1 S2 K3 H2 H3 S3
230V zu
X2 /18 /19
K1 E1 E2 E3 E4
K2
K3
K1S1
L1
L2
L3
PE
N
L1
L2
L3
N
5
1 2 3
4
5 6
7 8
9
10 11
12
13
14 15
16
17 18 19 20
21
4321
X1
X2
F1 0,4AT
A1
Y3
S6
Y2 Y4
S7
Art.Nr.2902
Art.Nr.2908