EasyManua.ls Logo

Glow-worm Flexicom 30sx - Completion of Installation

Glow-worm Flexicom 30sx
64 pages
To Next Page IconTo Next Page
To Next Page IconTo Next Page
To Previous Page IconTo Previous Page
To Previous Page IconTo Previous Page
Loading...
33
10 Vertical Flue - Length, Preparation and Installation
Diagram 10.25
13023
Diagram 10.26
12981
Diagram 10.27
12982
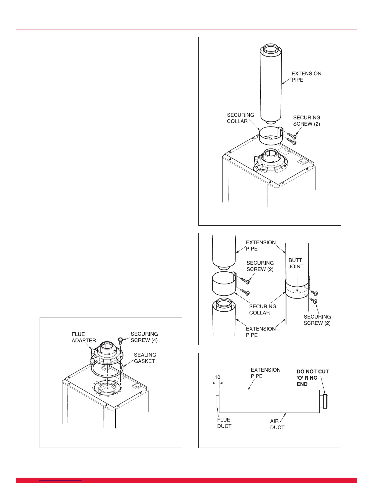
Completion of Installation
With the ue terminal positioned in the roof the length of the
nal pipe can be determined. If a telescopic length cannot
be used, then a standard ue length can be cut to make the
correct length. Cut the ue to the desired length measuring
from the ‘O’ ring end and discard the plain end of the tube.
The cuts must be square and made free of burrs to allow
correct assembly.
NOTE: The ue pipe is 10mm longer than the air pipe, see
diagram 10.28.
Carefully push the terminal assembly upwards to allow room
for tting the nal ue piece. Fit a xing bracket to the terminal
assembly. Pull the terminal assembly down and join to the ue
system. Ensure that the terminal is making a weather tight
seal on the weather collar. Secure the xing bracket tted to
the terminal to the roong struts or a purpose made batton.
Diagram 10.28
12983

Related product manuals