EasyManua.ls Logo

golmar EL610D

golmar EL610D
60 pages
To Next Page IconTo Next Page
To Next Page IconTo Next Page
To Previous Page IconTo Previous Page
To Previous Page IconTo Previous Page
Loading...
34
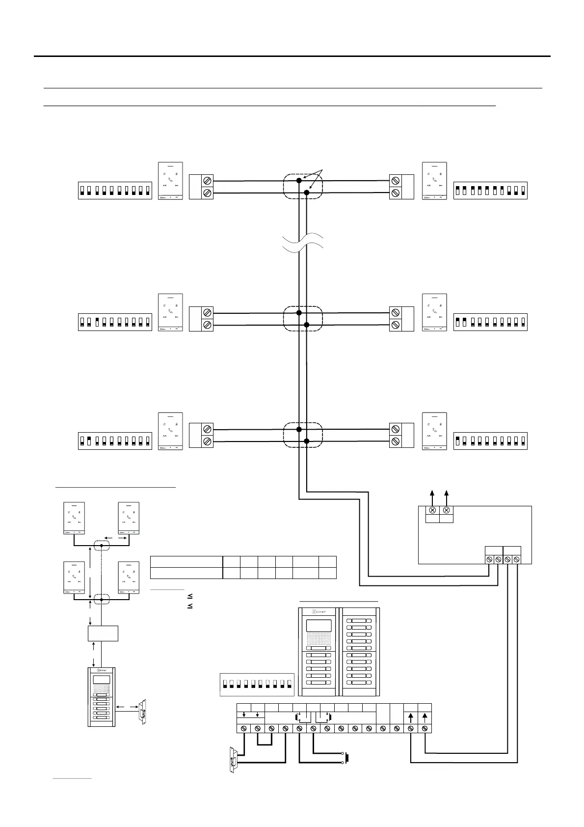
NEXA MODULAR G2+ AUDIO AND VIDEO DOOR ENTRY SYSTEM - BUILDING
WIRING DIAGRAMS
Audio door entry system with 128 apartments / ART 1/G2+ terminals Golmar .and d.c lock release
Only audio installation,
Dip 10 OFFto all
audio terminals.
configur
the end of line n
e
i
AP
(1)
(1)
*
( )
NA2
+
AP-
C1
NA1
AP+
C2
AP+
GND
BUSBUS
Relé 2Relé 1
_
12Vdc
NC2
CCTV
Distances and cross-sections:
Mains
100~240Vac
BUS (M) BUS(PL)
FA-G2+
LN
Access door panel
1 2 3 4 5 6 7 8 910
ON
ART 1/G2+
AUX
APARTMENT 2
( )2
ON
1 2 3 4 5 6 7
8 9 10
BUS
BUS
BUS
*
( )
ART 1/G2+
AUX
APARTMENT 4
( )2
ON
1 2 3 4 5 6 7
8 9 10
*
( )
ART 1/G2+
Master
AUX
APARTMENT 128
( )2
ON
1 2 3 4 5 6 7
8 9 10
*
( )
A
E
C
FA- 2+G
ART 1
AUX
ART 1
AUX
ART 1
AUX
ART 1
AUX
D
B
A B
80m 20m
Cable
C
96m
RAP-GTWIN/HF 2x1mm
2
D
15m
B+C+D
130m
E
15m
ART 1/G2+
AUX
APARTMENT 1
( )2
ON
1 2 3 4 5 6 7
8 9 10
BUS
BUS
BUS
ART 1/G2+
AUX
APARTMENT 3
( )2
ON
1 2 3 4 5 6 7
8 9 10
ART 1/G2+
AUX
APARTMENT 127
( )2
ON
1 2 3 4 5 6 7
8 9 10
Make the connections in
electrical junction box.
B: must be to 20m.
D: must be to 15m.
Important:
*
( )
*
( )
*
( )
Master
Master
Master
Master Master
Lock release
a dm x. 12 V c/270mA.
Important:
page )52 .
For a.c. lock release or a second lock release, see(
For more information of the ART G2+ , see the1/ audio terminal quick guide that is attached with its corresponding product.
(1)
( )2

Table of Contents

Other manuals for golmar EL610D

Related product manuals