EasyManua.ls Logo

golmar EL610D

golmar EL610D
60 pages
To Next Page IconTo Next Page
To Next Page IconTo Next Page
To Previous Page IconTo Previous Page
To Previous Page IconTo Previous Page
Loading...
35
NEXA MODULAR G2+ AUDIO AND VIDEO DOOR ENTRY SYSTEM - BUILDING
WIRING DIAGRAMS
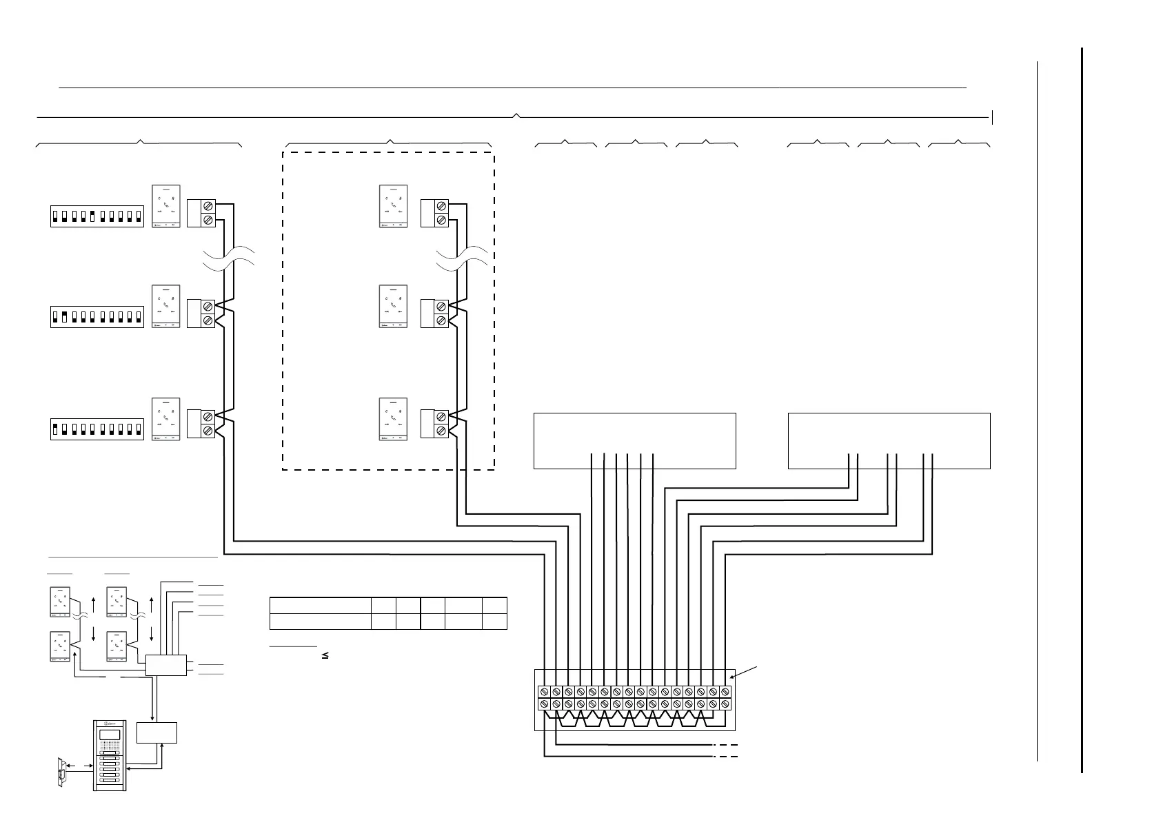
Audio door entry system with 8 risers of 16 apartments/ ART 1/G2+ terminals in "IN-OUT" without distributors Golmar .and d.c lock release
Only audio installation, configure the end of line Dip 10 a OFF
in all audio terminals.
BUILDING 1
To "Bus M" of the FA-G2+ power supply (see page )49 .
Note: If more than 1 access door panel (see page 50-51).
A B C
80m 50m 45m
Cable
B+C
95m
D
15m
RAP-GTWIN/HF 2x1mm
2
Distances and cross-sections:
A
B
D
ART /G2+1
FA-G2+
ART /G2+1
Electrical junction box.
C
Riser 1 Riser 2
ART /G2+1
ART /G2+1
Note: IN-OUT installation with 8 risers without distributors,
max. 16 ART1/G2+ terminals per riser & 128 ART1/G2+
terminals per installation (building).
ART 1/G2+
Master
AUX
APARTMENT 1
( )2
ON
1 2 3 4 5 6 7
8
9
10
RISER 2RISER 1
*
( )
ART 1/G2+
Master
AUX
APARTMENT 2
( )2
ON
1 2 3 4 5 6 7
8
9
10
*
( )
ART 1/G2+
Master
AUX
APARTMENT 16
( )2
ON
1 2 3 4 5 6 7
8
9
10
*
( )
BUS
BUS
BUS
ART 1/G2+
Master
AUX
ART 1/G2+
Master
AUX
ART 1/G2+
Master
AUX
APARTMENT 17
APARTMENT 18
APARTMENT 32
AS RISER 1
BUS
BUS
BUS
RISER 3 , 4 & 5 AS RISER 1
RISER 6 , 7 & 8 AS RISER 1
RISER 3 RISER 4 RISER 5 RISER 6 RISER 7 RISER 8
Make the connections in
electrical junction box.
Riser 3
Riser 4
Riser 7
Riser 8
Riser 5
Riser 6
AUX
AUX
AUX
AUX
C
B: must be to 50m.
Important:
*
( )
(1)
For more information of the ART G2+ , see the1/ audio terminal quick guide that is attached with its corresponding product.

Table of Contents

Other manuals for golmar EL610D

Related product manuals