EasyManua.ls Logo

golmar EL610D

golmar EL610D
60 pages
To Next Page IconTo Next Page
To Next Page IconTo Next Page
To Previous Page IconTo Previous Page
To Previous Page IconTo Previous Page
Loading...
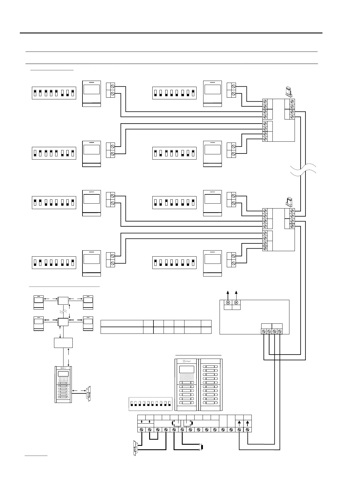
WIRING DIAGRAMS
Video door entry system 2 ART 4 or ART 4 LITE/G2+ monitors, 8 D4L- 2+ distribu Golmarwith 3 /G2+ G tors and
d.c lock release.
36
Configur the end of line in
the last monitor.
e
Dip 8 to ON.
Lock release
a dm x. 12 V c/270mA.
BUS
BUS
BUS BUS
D4
D3
D2
D1
D4L- 2+G
APARTMENT 31
Set to ON the end of line in
the last distributor.
AP
Distances and cross-sections:
D -G24L +
A
D
B
D
(1)
(1)
E
ART 4/G2+
FA-G2+
ART 4/G2+
Important:
page )52 .
For a.c. lock release or a second lock release, see(
For more information of the ART 4 G2+ monitor, see theor ART 4 LITE/G2+ quick guide that is attached with its corresponding product.
(1)
ART 4/G2+
Master
**
( )
**
( )2 ( )
( )2
*
( )
BUS
BUS
BUS BUS
D4
D3
D2
D1
D4L- 2+G
ON
1 2 3 4 5 6 7
8
BUS BUS
ART 4/G2+
Master
BUS BUS
APARTMENT 32
**
( )2 ( )
ON
1 2 3 4 5 6 7
8
APARTMENT 30
ART 4/G2+
Master
**
( )2 ( )
ON
1 2 3 4 5 6 7
8
BUS BUS
ART 4/G2+
Master
BUS BUS
APARTMENT 29
**
( )2 ( )
ON
1 2 3 4 5 6 7
8
APARTMENT 3
ART 4/G2+
Master
**
( )2 ( )
ON
1 2 3 4 5 6 7
8
BUS BUS
ART 4/G2+
Master
BUS BUS
APARTMENT 4
**
( )2 ( )
ON
1 2 3 4 5 6 7
8
APARTMENT 2
ART 4/G2+
Master
**
( )2 ( )
ON
1 2 3 4 5 6 7
8
BUS BUS
ART 4/G2+
Master
BUS BUS
APARTMENT 1
**
( )2 ( )
ON
1 2 3 4 5 6 7
8
100~240Vac
Mains
BUS (M) BUS(PL)
FA-G2+
LN
D D
ART 4/G2+ ART 4/G2+
C
NA2
+
AP-
C1
NA1
AP+
C2
AP+
GND
BUSBUS
Relé 2Relé 1
_
12Vdc
NC2
CCTV
1 2 3 4 5 6 7 8 910
ON
End of
l nei
ON
OFF
End of
il ne
*
( )
A B C
80m 80m 80m
Cable
D
30m
B+C+D
190m
E
15m
RAP-GTWIN/HF 2x1mm
2
Access door panel
NEXA MODULAR G2+ AUDIO AND VIDEO DOOR ENTRY SYSTEM - BUILDING

Table of Contents

Other manuals for golmar EL610D

Related product manuals